EasyManua.ls Logo

Electrolux E23CS75DSS0 - Page 94

Electrolux E23CS75DSS0
135 pages
Print Icon
To Next Page IconTo Next Page
To Next Page IconTo Next Page
To Previous Page IconTo Previous Page
To Previous Page IconTo Previous Page
Loading...
94
Section F - Ice Maker
6
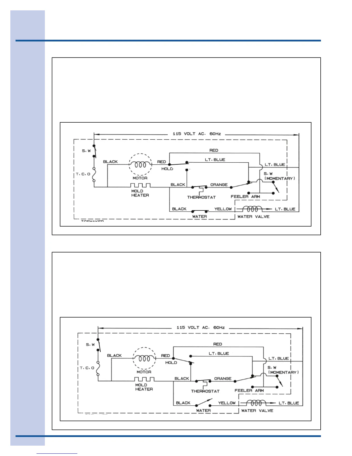
•IceMakerconnectedtoelectricity.
•Moldtemperatureabove9°F.
•Thermostatclosed.
•Motorstartstorotateasicebreaksloose.
•Moldheating.
•ControlArmisdown.
•FeelerArmSwitchclosedCtoNO.
•HoldSwitchclosedCtoNO.
•WaterFillSwitchclosedbutshortedopenbythermostat.
F 10
599485595 August 2007
Ice Maker connected to electricity.
Mold temperature above 9 F.
Thermostat closed.
Motor starts to rotate as ice brakes loose.
Mold Heating.
Control Arm is down.
Feeler Arm Switch closed C to NO.
Hold Switch closed C to NO.
Water Fill Switch closed but shorted out by thermostat.
Ice Maker connected to electricity.
Mold temperature above 9 F.
Thermostat closed.
Motor is rotating.
Mold Heating.
Control Arm is down.
Feeler Arm Switch closed C to NO.
Hold Switch closed C to NC.
Water Fill Switch open.
6
7
7
•IceMakerconnectedtoelectricity.
•Moldtemperatureabove9°F.
•Thermostatclosed.
•Motorisrotating.
•Moldheating.
•ControlArmisdown.
•FeelerArmSwitchclosedCtoNO.
•HoldSwitchclosedCtoNC.
•WaterFillSwitchopen.
F 10
599485595 August 2007
Ice Maker connected to electricity.
Mold temperature above 9 F.
Thermostat closed.
Motor starts to rotate as ice brakes loose.
Mold Heating.
Control Arm is down.
Feeler Arm Switch closed C to NO.
Hold Switch closed C to NO.
Water Fill Switch closed but shorted out by thermostat.
Ice Maker connected to electricity.
Mold temperature above 9 F.
Thermostat closed.
Motor is rotating.
Mold Heating.
Control Arm is down.
Feeler Arm Switch closed C to NO.
Hold Switch closed C to NC.
Water Fill Switch open.
6
7

Table of Contents

Related product manuals