EasyManua.ls Logo

EPRAD eCNA-10 - Barco Digital Cinema Projectors Configuration

EPRAD eCNA-10
204 pages
Print Icon
To Next Page IconTo Next Page
To Next Page IconTo Next Page
To Previous Page IconTo Previous Page
To Previous Page IconTo Previous Page
Loading...
© EPRAD Incorporated
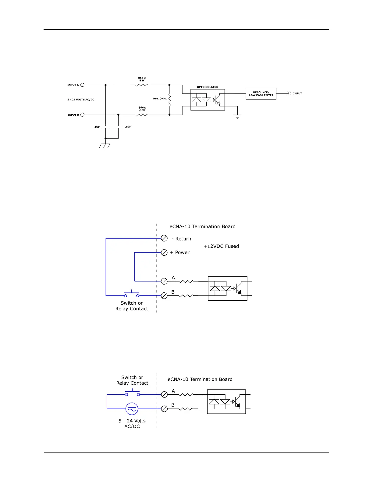
8.7 Termination Board Inputs
All inputs are bi-directional. The figure below is a schematic representation of all inputs.
Inputs can be wired in a number of ways. Below are the most typical ways the inputs are wired to an
external device.
Contact Sense Input
Using the +12 volt power source on the termination board, the input can wired for contact sensing.
Only a remote relay contact or switch is required to generate an input.
Voltage Sense Input
The input can accept AC or DC voltage in the range of 5 to 24 volts. The maximum current draw per
input is 20 milliamps.
147
eCNA-10 Operation and Installation Manual Version 1.270-00

Table of Contents