EasyManua.ls Logo

EPRAD eCNA-10 - Christie Digital Cinema Projectors Configuration

EPRAD eCNA-10
204 pages
Print Icon
To Next Page IconTo Next Page
To Next Page IconTo Next Page
To Previous Page IconTo Previous Page
To Previous Page IconTo Previous Page
Loading...
© EPRAD Incorporated
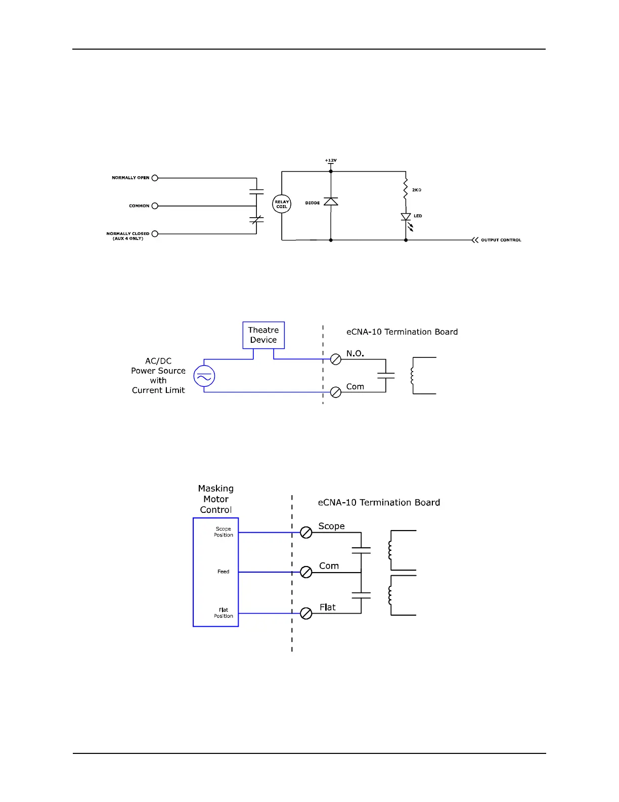
8.8 Termination Board Outputs
All relay outputs are ‘dry’ contacts. They require an external power source. It is strongly
recommended that the power source be current limited. The figure below is a schematic
representation of the relay outputs. Most outputs are normally open contacts. Many relays outputs,
such as Sound, share a common connection.
Typical Masking motor wiring
149
eCNA-10 Operation and Installation Manual Version 1.270-00

Table of Contents