EasyManua.ls Logo

evertz 7800 - Functional Overview; Figure 1-1: 7812 DCDA2 Q-HD Block Diagram

Default Icon
90 pages
Print Icon
To Next Page IconTo Next Page
To Next Page IconTo Next Page
To Previous Page IconTo Previous Page
To Previous Page IconTo Previous Page
Loading...
7800 MultiFrame Manual
7812DCDA2Q-HD (-AA, –AES4) Dual Path HDTV Down-converter
Revision 1.0 Page 3
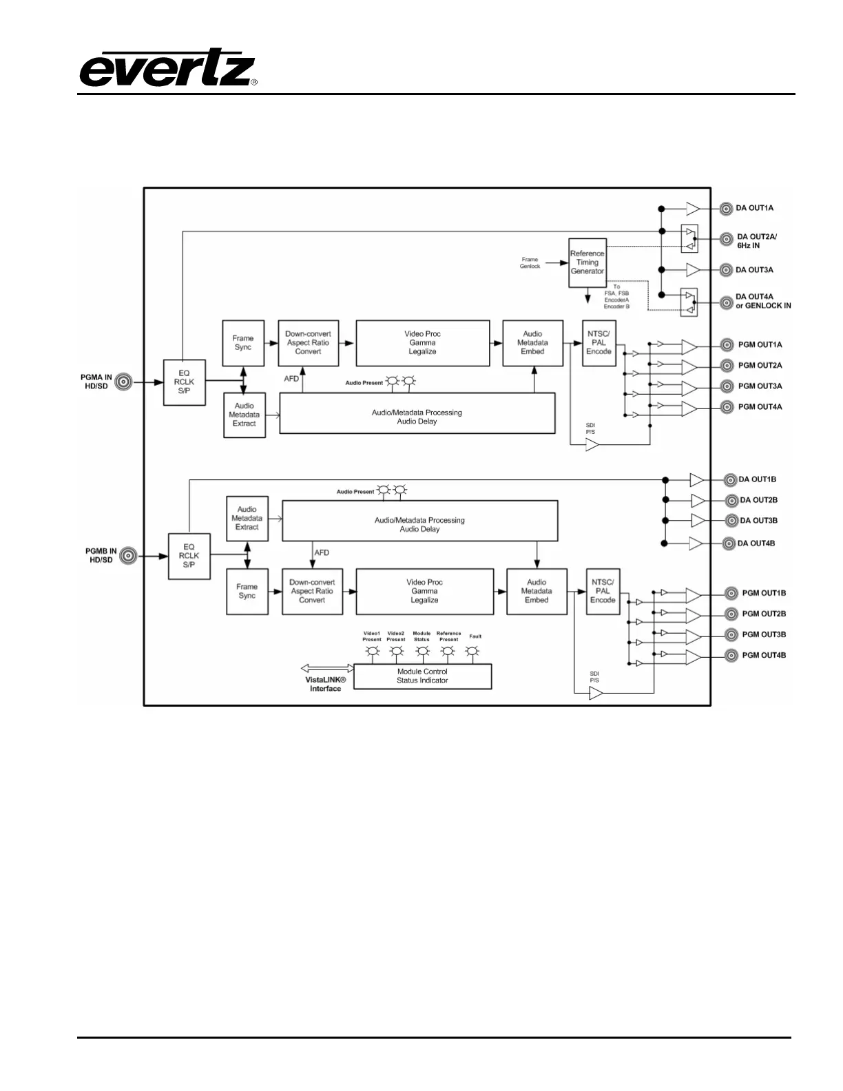
1.1. FUNCTIONAL OVERVIEW
Figure 1-1 through Figure 1-3 provide the block diagrams for the 7812DCDA2Q-HD, 7812DCDA2Q-HD-
AA and 7812DCDA2Q-AES4 modules.
Figure 1-1: 7812DCDA2Q-HD Block Diagram

Table of Contents

Related product manuals