EasyManua.ls Logo

Galil DMC-4040 - High Power Opto-Isolated Outputs; Electrical Specifications; Wiring the Opto-Isolated Outputs

Galil DMC-4040
284 pages
Print Icon
To Next Page IconTo Next Page
To Next Page IconTo Next Page
To Previous Page IconTo Previous Page
To Previous Page IconTo Previous Page
Loading...
High Power Opto-Isolated Outputs
The DMC-40x0 has different interconnect module options, this section will describe the 500mA optically isolated
outputs that are used on the ICM-42x00.
Electrical Specifications
Output Common Max Voltage 30 VDC
Output Common Min Voltage 12 VDC
Max Drive Current per Output 0.5 A (not to exceed 3A for all 8 outputs)
Wiring the Opto-Isolated Outputs
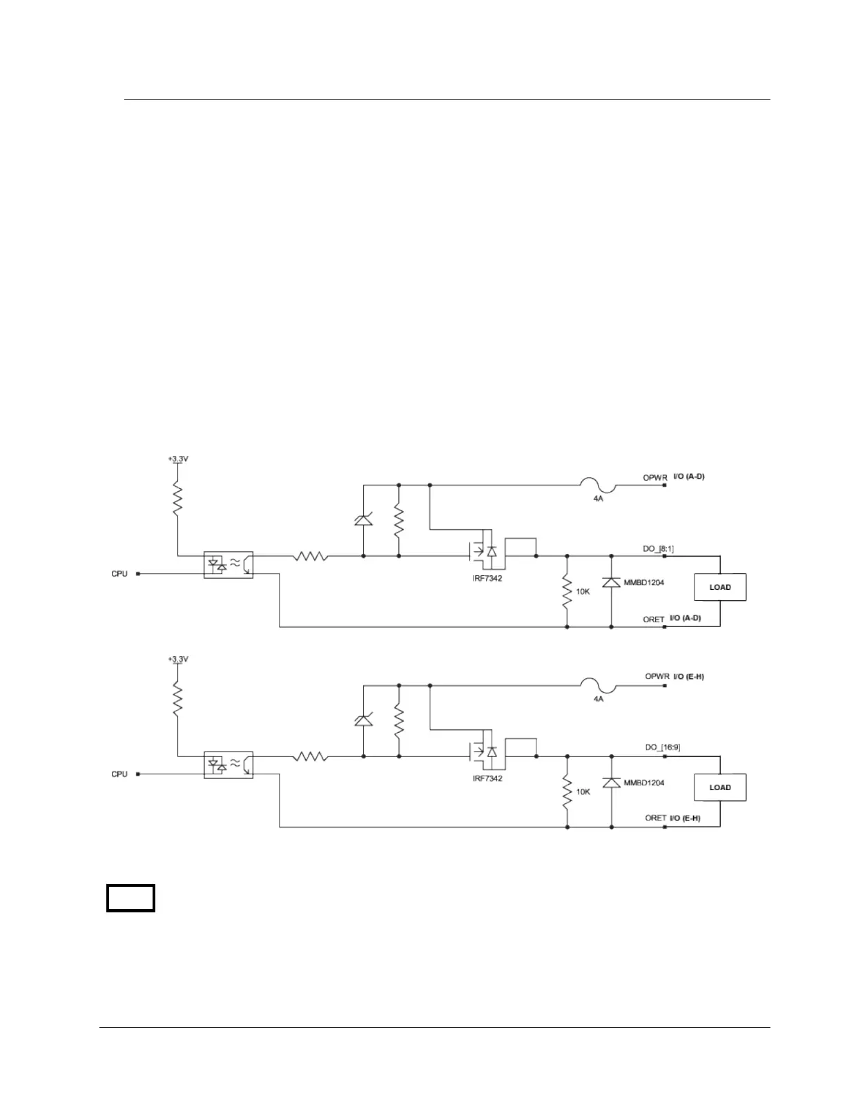
The ICM-42x00 module allows for opto-isolation on all of the digital inputs and outputs. The digital outputs are
optically isolated and are capable of sourcing up to 0.5 A per pin with a 3 A limit for the group of 8 outputs. The
outputs are configured for hi-side drive only. The supply voltage must be connected to output supply voltage
(OPWR), and the supply return must be connected to output return (ORET).
Figure 3-3 shows the manner in which the load should be connected. The output will be at the voltage that is
supplied to the OPWR pin. Up to 30 VDC may be supplied to OPWR.
Figure 3-3 ICM-42x00 General-Purpose Digital Output Opto-Isolation
4080
For controllers with 5-8 axes, outputs 9-16 are located on the I/O (E-H) D-Sub connector. The OPWR and
ORET for these outputs are also found on the I/O (E-H) D-Sub connector. Connections to the OPWR and
ORET on the I/O (E-H) as described above are required for operation of outputs 9-16.
DMC-40x0 User Manual Chapter 3 Connecting Hardware 38

Table of Contents

Related product manuals