EasyManua.ls Logo

Harmonic ProView PVR 6000 Series - Functionality; Figure 1-1: Signal Path in the PVR 6000 - Functionality Block Diagram

Harmonic ProView PVR 6000 Series
269 pages
Print Icon
To Next Page IconTo Next Page
To Next Page IconTo Next Page
To Previous Page IconTo Previous Page
To Previous Page IconTo Previous Page
Loading...
User Manual
Overview
Page 1-4 (Rev. 4.1/ SW v1.60/ December 2006)
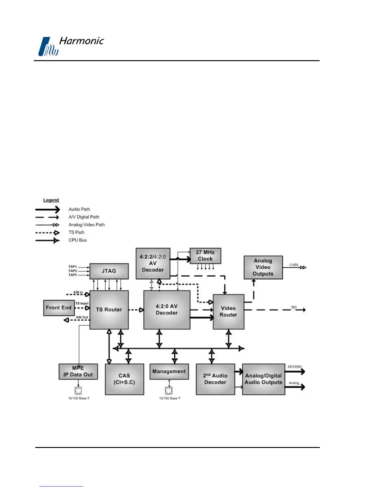
1.4. FUNCTIONALITY
The TS Router block receives input streams from an available source, for
example: L-Band, MPEG-over-IP IN and ASI IN. Then the block routes the
selected input to the Master and Slave decoders. Each decoder decodes one
program from the input stream, routed by the TS router block, and provides
decoded digital audio and video streams. These streams are provided to the
Video Router block that routes them to the relevant outputs as well as to the
analog video output. The Analog Video Output receives a digital video, converts
the digital video into analog video, and outputs the analog video. The analog
and digital audio output component outputs the digital and analog audio.
Figure 1-1: Signal Path in the PVR 6000 – Functionality Block Diagram

Table of Contents

Related product manuals