EasyManua.ls Logo

Huawei ECC500 - Connecting Power Cables

Huawei ECC500
142 pages
Print Icon
To Next Page IconTo Next Page
To Next Page IconTo Next Page
To Previous Page IconTo Previous Page
To Previous Page IconTo Previous Page
Loading...
ECC500
User Manual
4 Installation and Commissioning
Copyright © Huawei Technologies Co., Ltd.
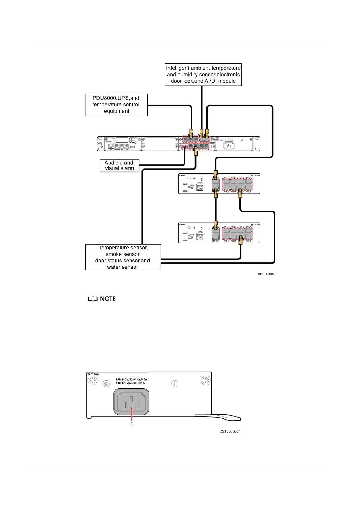
Figure 4-10 Connecting monitoring cables
Connect an audible and visual alarm to the ECC500 using the delivered adapter.
4.3.4 Connecting Power Cables
The power module of the ECC500 is connected to the external power supply using a power
cable. Figure 4-11 shows the cable connection.
Figure 4-11 Connecting a power cable

Table of Contents

Related product manuals