EasyManua.ls Logo

IAI MCON-C - Page 362

IAI MCON-C
480 pages
Print Icon
To Next Page IconTo Next Page
To Next Page IconTo Next Page
To Previous Page IconTo Previous Page
To Previous Page IconTo Previous Page
Loading...
352
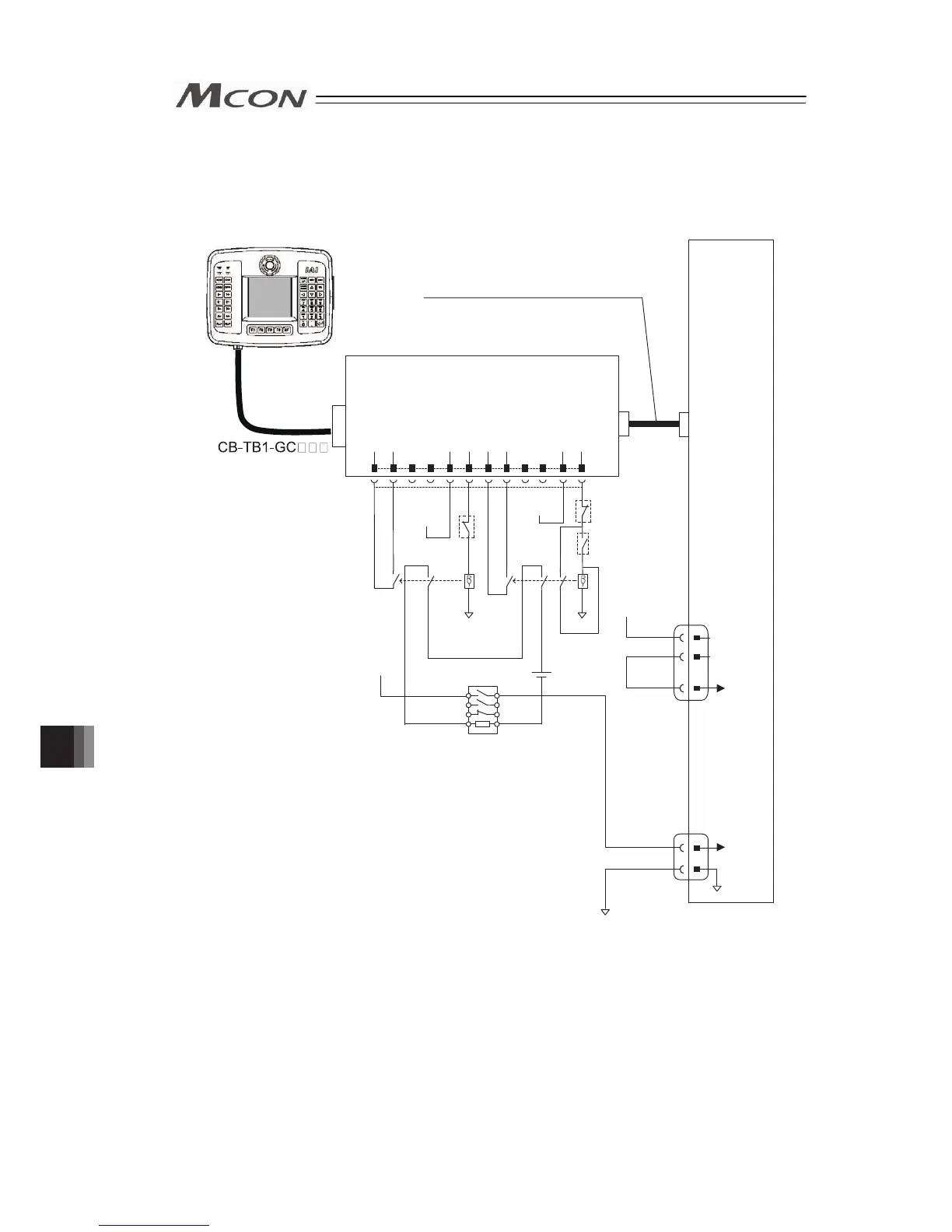
[3] Examples of safety circuits
1) In case of category 1
TB-01D/TB-01DR or TB-02D
(or Dummy plug : DP-4S)
Connection Cable CB-CON-LB***
Controller
MCON-CG
Enable SW
SW
Reset
SW
Emergency
Stop
24V
24V
0V 0V
RCB-LB-TGS
Solenoid Contactor
Motor
Power
Supply
ENBOUT
ENBIN
ENB2+
ENB2-
ENB1+
ENB1-
EMGOUT
EMGIN
EMG2+
EMG2-
EMG1+
EMG1-
12
11
10
9
8
7
6
5
4
3
2
1
MP+24V
0V
EMG-
S2
S1
24V
System I/O
Connector
Power
Supply
Connector
24V
Chapter 10 Appendix

Table of Contents

Other manuals for IAI MCON-C

Related product manuals