EasyManua.ls Logo

IAI MCON-C - 2.2 Circuit Diagram

IAI MCON-C
480 pages
Print Icon
To Next Page IconTo Next Page
To Next Page IconTo Next Page
To Previous Page IconTo Previous Page
To Previous Page IconTo Previous Page
Loading...
40
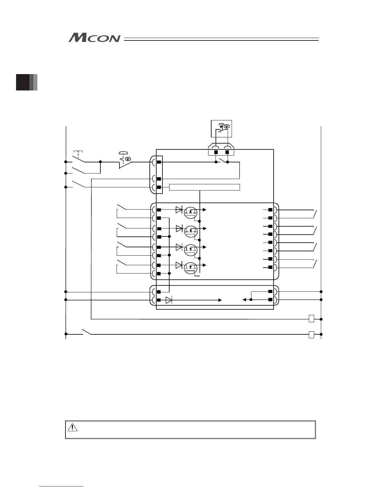
2.2 Circuit Diagram
Sample circuit diagrams are shown below.
[1] Power Supply and Emergency Stop
The diagram shown below is an example of a circuit for when reflecting the emergency stop
switch on a teaching pendant to the emergency stop circuit of the system.
Note 1 MCON-C : When there is nothing plugged in the SIO connector, S1 and S2 are short-circuited inside the
controller.
MCON-CG : When there is nothing plugged in the SIO connector, S1 and S2 are not short-circuited.
To make them short-circuited, have the enclosed dummy plug DP-5 plugged in the SIO connector.
[Refer to 2.3.7]
Note 2 When the motor power must be disconnected externally for safety category compliance, apply a safety rated relay
between MPISLOT
½
and MPOSLOT
½
. Choose one that is capable to open and close with the motor current
consumption of the connected actuator [Refer to 1.2 List of Basic Specifications.].
Note 3 The rating for the emergency stop signal (EMG-) to turn ON/OFF at contact CR1 is 24V DC and 10mA.
Note 4 For CR1, select the one with coil current 0.1A or less.
Note 5 By cutting out the connection between EMG+SLOT
½
and EMGINSLOT
½
, only the disconnected slot number can
be made in the condition of an emergency stop. (
½
: Slot Number)
Caution: When supplying the power by turning ON/OFF the 24V DC, keep the 0V being
connected and have the +24V supplied/disconnected (cut one side only).
EMGINSLOT0
EMGINSLOT1
EMGINSLOT2
EMGINSLOT3
Emergency Stop
Reset Switch
Emergency Stop
Switch
CR1
SIO Connector
CR1
(Note 3)
24V
0V
Emergency Stop Control Circuit
Motor Power Supply (Slot 3)
(Axis No.6 and 7)
MPISLOT3
MPOSLOT3
CR2
(Note 2)
MPISLOT2
MPOSLOT2
CR2
(Note 2)
MPOSLOT1
MPISLOT1
CR2
(Note 2)
MPISLOT0
MPOSLOT0
CR2
(Note 2)
Motor Power Supply (Slot 2)
(Axis No.4 and 5)
Motor Power Supply (Slot 1)
(Axis No.2 and 3)
Motor Power Supply (Slot 0)
(Axis No.0 and 1)
MP+24V
0V
CP+24V 0V
Control
Powe
r
External Drive Cutoff •
Emergency Stop Input Connector
Power Line In
p
ut Connecto
r
EMG+SLOT0
(N
o
t
e
5
)
S1
4
3
2
1
12
11
10
9
7
8
5
6
15
16
13
14
1
3
4
2
Emergency Stop Switch on
Teaching Pendant
S2
(N
o
t
e
1)
EMG A EMG B
MCON
85
EMG-
EMG+SLOT1
(N
o
t
e
5
)
EMG+SLOT2
(N
o
t
e
5
)
EMG+SLOT3
(N
o
t
e
5
)
3
2
4
CR1
(N
o
t
e
4
)
CR2
(N
o
t
e
2
)
CR1
System I/O Connector
Chapter 2 Wiring

Table of Contents

Other manuals for IAI MCON-C

Related product manuals