EasyManua.ls Logo

IAI MCON-C - Page 51

IAI MCON-C
480 pages
Print Icon
To Next Page IconTo Next Page
To Next Page IconTo Next Page
To Previous Page IconTo Previous Page
To Previous Page IconTo Previous Page
Loading...
41
Note Check the previous page for Notes 1 to 5.
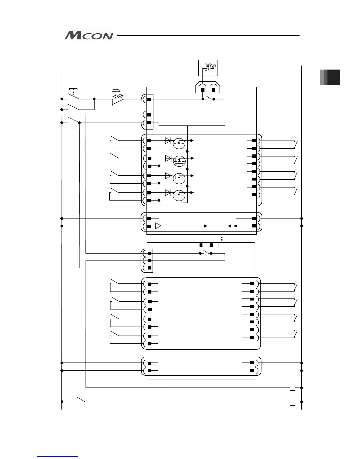
EMGINSLOT0
EMGINSLOT1
EMGINSLOT2
EMGINSLOT3
Emergency Stop
Reset Switch
Emergency Stop
Switch
CR1
SIO Connector
CR1
(
N
o
t
e
3)
24V 0V
S1
Emergency Stop Control Circuit
Motor Power Supply (Slot 3)
(Axis No.6 and 7)
MPISLOT3
MPOSLOT3
CR2
(Note 2)
MPISLOT2
MPOSLOT2
CR2
(Note 2)
MPOSLOT1
MPISLOT1
CR2
(Note 2)
MPISLOT0
MPOSLOT0
CR2
(Note 2)
Motor Power Supply (Slot 2)
(Axis No.4 and 5)
Motor Power Supply (Slot 1)
(Axis No.2 and 3)
Motor Power Supply (Slot 0)
(Axis No.0 and 1)
MP+24V 0V
CP+24V 0V
Control
Powe
r
External Drive Cutoff •
Emergency Stop Input Connector
Power Line In
p
ut Connecto
r
System I/O Connector
MSEP
MPISLOT3
MPOSLOT3
CR2
(Note 2)
MPISLOT2
MPOSLOT2
CR2
(Note 2)
MPOSLOT1
MPISLOT1
CR2
(Note 2)
MPISLOT0
MPOSLOT0
CR2
(Note 2)
MP+24V 0V
CP+24V 0V
EMG+SLOT0
(N
o
t
e
5
)
EMG+SLOT0
EMGINSLOT0
EMG+SLOT1
EMGINSLOT1
EMG+SLOT2
EMGINSLOT2
EMG+SLOT3
EMGINSLOT3
S1
4
3
2
1
12
11
10
9
7
8
5
6
15
16
13
14
1
3
4
2
3
4
3
2
1
12
11
10
9
7
8
5
6
15
16
13
14
1
3
4
2
External Drive Cutoff • Emergency Stop Input Connecto
r
Power Line In
p
ut Connecto
r
Emergency Stop Switch on
Teaching Pendant
(N
o
t
e
5
)
S2
(N
o
t
e
1)
EMG A EMG B
MCON
85
EMG-
EMG+SLOT2
(N
o
t
e
5
)
EMG+SLOT3
(N
o
t
e
5
)
3
2
4
SIO Connector
S2
EMG-
2
4
85
(N
o
t
e
1)
(N
o
t
e
5
)
(N
o
t
e
5
)
(N
o
t
e
5
)
CR1
(N
o
t
e
4
)
CR2
(N
o
t
e
2
)
CR1
System I/O Connector
EMG+SLOT1
(N
o
t
e
5
)
Chapter 2 Wiring

Table of Contents

Other manuals for IAI MCON-C

Related product manuals