EasyManua.ls Logo

IAI MCON-C - Page 364

IAI MCON-C
480 pages
Print Icon
To Next Page IconTo Next Page
To Next Page IconTo Next Page
To Previous Page IconTo Previous Page
To Previous Page IconTo Previous Page
Loading...
354
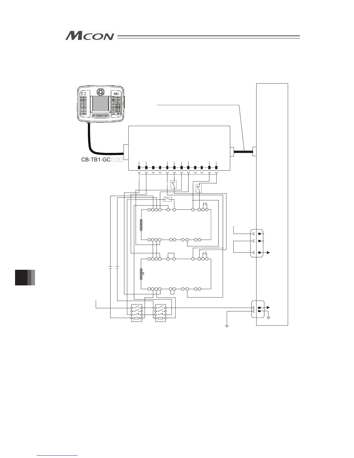
2) In case of category 2
Connection Cable CB-CON-LB***
Controller
MCON-CG
12.ENBOUT
11.ENBIN
10.ENB2+
9.ENB2-
8.ENB1+
7.ENB1-
6.EMGOUT
5.EMGIN
4.EMG2+
3.EMG2-
2.EMG1+
1.EMG1-
RCB-LB-TGS
Motor
Power
Supply
12
11
10
9
8
7
6
5
4
3
2
1
24V
Reset SW
Emergency stop SW
G9SA-301
(OMRON)
24V
G9SA-301
(OMRON)
41 33 23 13
T32 T31
T12 T11
A2
A1
1
2
3
4
5
6
42 34 24 14
T22 T23
T21
PE
BA
41 33 23 13
T32 T31
T12 T11
A2
A1
1
2
3
4
5
6
42 34 24 14
T22 T23
T21
PE
BA
24V24V
Solenoid Contactor Solenoid Contactor
Enable SWEnable SW
EMG-
S2
S1
24V
MP+24V
0V
24V
System I/O
Connector
Power
Supply
Connector
TB-01D/TB-01DR or TB-02D
(or Dummy plug : DP-4S)
Chapter 10 Appendix

Table of Contents

Other manuals for IAI MCON-C

Related product manuals