EasyManua.ls Logo

IAI MCON-C - Page 365

IAI MCON-C
480 pages
Print Icon
To Next Page IconTo Next Page
To Next Page IconTo Next Page
To Previous Page IconTo Previous Page
To Previous Page IconTo Previous Page
Loading...
355
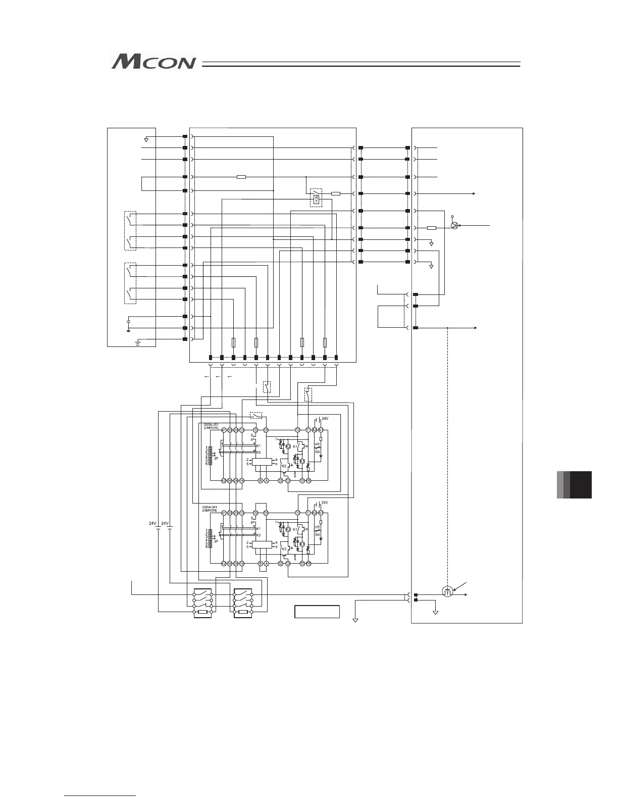
Detailed category 2 circuit example
SG
SGA
SGB
RTS
CTS
EMG1-
EMG1+
EMG2-
EMG2+
EMB1-
EMB1+
EMB2-
EMB2+
DC24V+
DC24V-
EMBOUT
EMBIN
EMB2+
EMB2-
EMB1+
EMB1-
EMGOUT
EMGIN
EMG2+
EMG2-
EMG1+
EMG1-
1
2
3
4
5
6
7
8
9
*EMGSTR
ENB
VP24
MCON-CG
TP
Emergency Stop SW
Enable SW
Shell
1
2
3
13
14
9
12
6
5
23
24
25
22
7
26
12
11
10
9
8
7
6
5
4
3
2
1
Motor Power
Cutoff Relay
RCB-LB-TGS
SGA
SGB
EMGA
24V
EMGB
1
2
3
4
5
6
7
8
9
5V
+
Enable SWEnable SW
Emergency Stop SW
Reset SW
Control
Circuit
Control
Circuit
Solenoid Contactor Solenoid Contactor
External Emergency
Stop Circuit category 1
Motor Power Supply
S1
S2
EMG-
24V
Controller
MP+24V
0V
24V
Chapter 10 Appendix

Table of Contents

Other manuals for IAI MCON-C

Related product manuals