EasyManua.ls Logo

IDEC FL1E-H12RCE - Page 61

IDEC FL1E-H12RCE
356 pages
Print Icon
To Next Page IconTo Next Page
To Next Page IconTo Next Page
To Previous Page IconTo Previous Page
To Previous Page IconTo Previous Page
Loading...
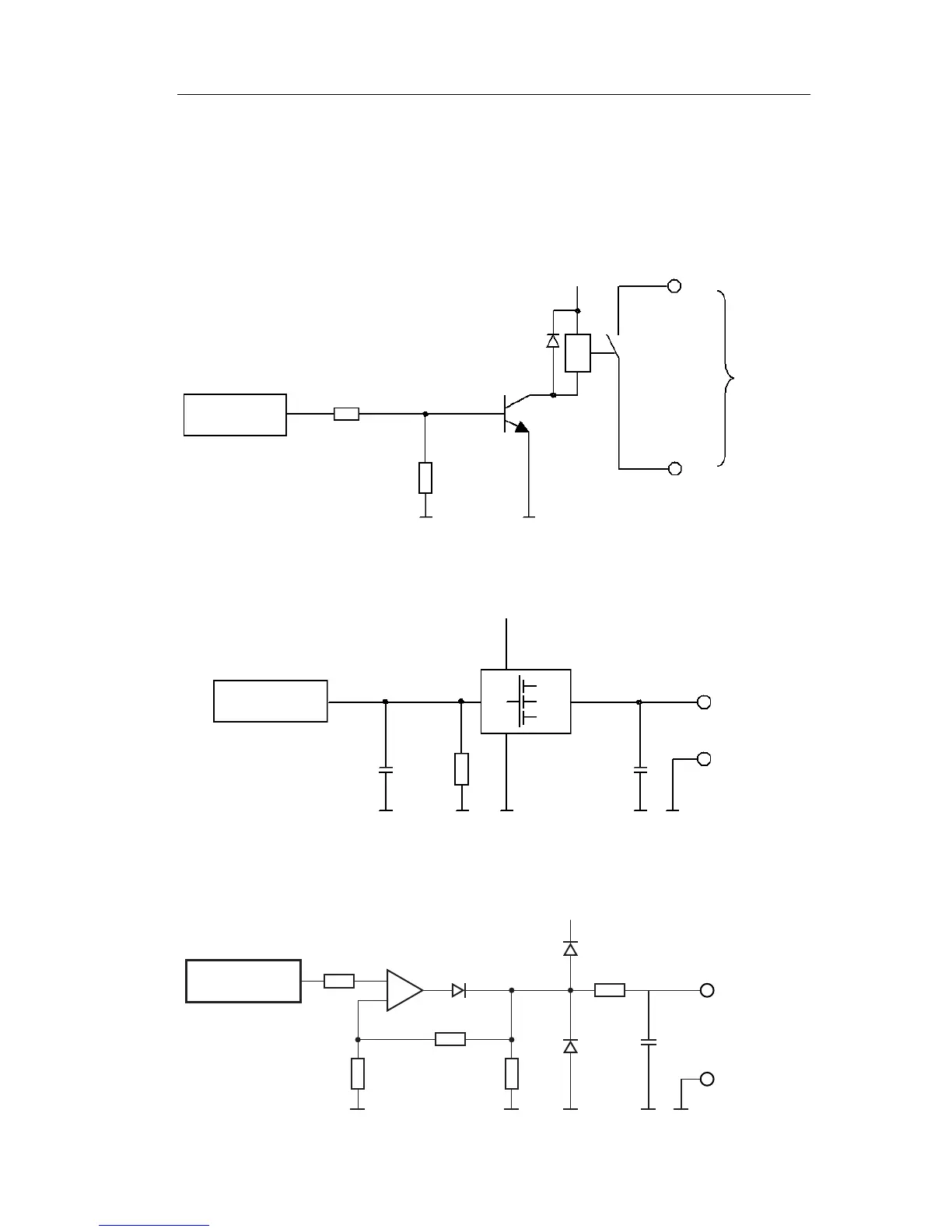
IDEC SmartRelay installation and wiring
IDEC SmartRelay Manual 47
Output Internal Circuit
FL1E-H12RCA / FL1E-B12RCA / FL1E-H12RCC / FL1E-B12RCC /
FL1E-H12RCE / FL1E-B12RCE / FL1B-M08B2R2 / FL1B-M08C2R2 /
FL1B-M08D2R2
Relay Output
FL1E-H12SND / FL1B-M08B1S2
Transister Output (Source)
FL1D-K2B2 / FL1D-K2BM2
Analog Output (0-10V)
27kΩ
47kΩ
+24V
2
1
Q1~Q4
Internal
Circuit
Internal Circuit
+24V
10kΩ10nF 10nF
M
Q1~Q4
Internal
Circuit
Internal Circuit
10Ω
100nF
+24V Internal Circuit
4.7kΩ
+
-
Internal
Circuit
(
V1+, V2+
)
(
M1, M2
)
Phone: 800.894.0412 - Fax: 888.723.4773 - Web: www.clrwtr.com - Email: info@clrwtr.com

Table of Contents

Related product manuals