EasyManua.ls Logo

Knick Stratos Multi E401N - Typical Applications

Knick Stratos Multi E401N
222 pages
Print Icon
To Next Page IconTo Next Page
To Next Page IconTo Next Page
To Previous Page IconTo Previous Page
To Previous Page IconTo Previous Page
Loading...
Stratos Multi E401N
15
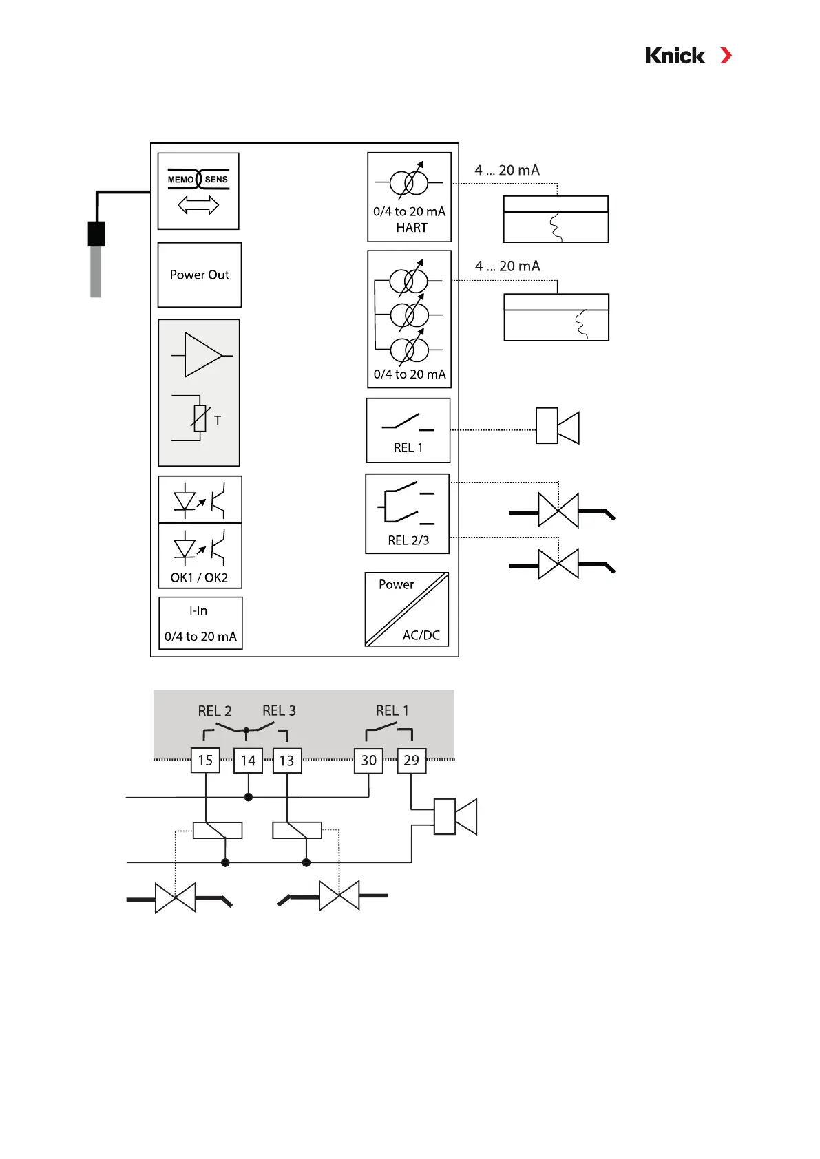
2.3.1 Typical Applications
Memosens pH Measurement and PID Control
24 V
AC/DC
MS pH
Stratos Multi E401N
Alarm
Acid
Brine
PID control
Alarm
Acid Brine

Table of Contents