EasyManua.ls Logo

Liebert Hipulse E - Page 46

Liebert Hipulse E
151 pages
Print Icon
To Next Page IconTo Next Page
To Next Page IconTo Next Page
To Previous Page IconTo Previous Page
To Previous Page IconTo Previous Page
Loading...
Installation Manual Liebert Hipulse E Chapter 4 - ‘1+N’ System
Single or '1+N' UPS System
(07/04) Page 4-11
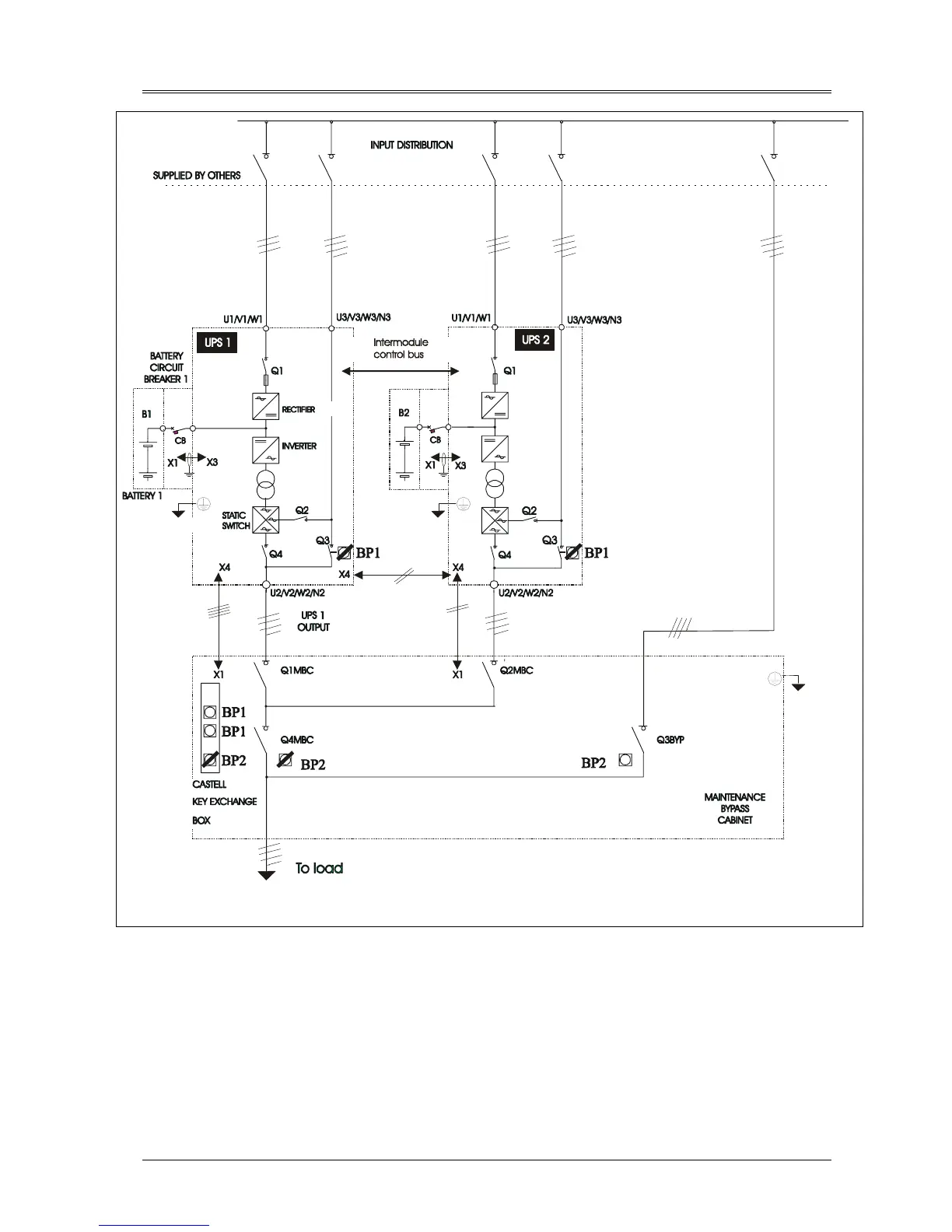
Figure 4-7 Example of configuration with two redundant UPS's connected in parallel with the external maintenance bypass cabinet.
This drawing should show an external maintenance bypass supply for the system (with two redundant UPS's) as
referred to in the warning message at the bottom of page 4-1.

Table of Contents

Related product manuals