EasyManua.ls Logo

Liebert Hipulse E - Page 90

Liebert Hipulse E
151 pages
Print Icon
To Next Page IconTo Next Page
To Next Page IconTo Next Page
To Previous Page IconTo Previous Page
To Previous Page IconTo Previous Page
Loading...
User Manual Liebert Hipulse E Chapter 8 - Operating Instructions
Single or '1+N' UPS System Operator Control and Display Panel
(07/04) Page 8-7
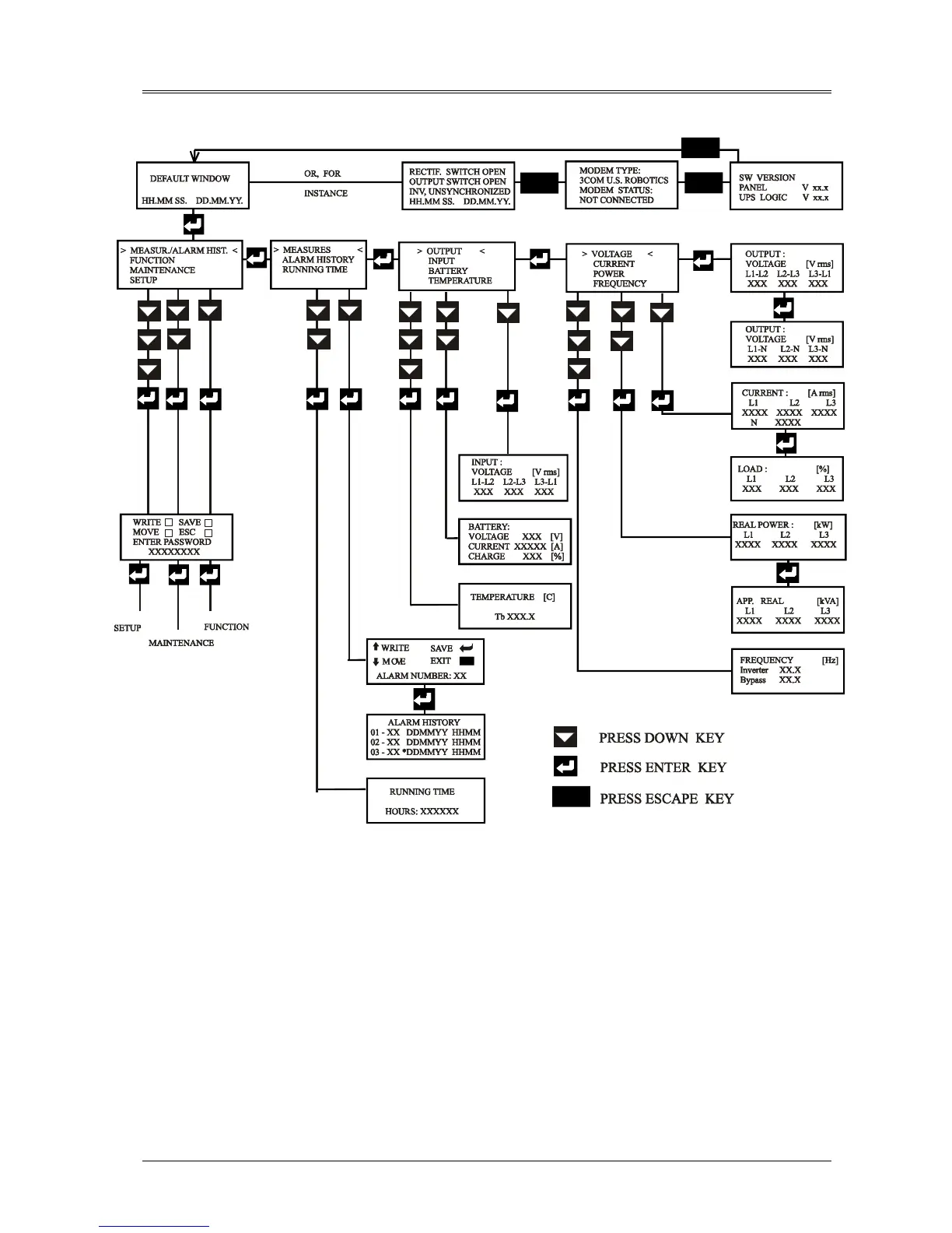
Figure 8-4 Map of screen display available to operator
ESC
ESC
ESC
ESC
ESC

Table of Contents

Related product manuals