EasyManua.ls Logo

LUMENIS VersaPulse PowerSuite - Versapulse Powersuite FSB #1; Power Supply Controller Board Diagram

LUMENIS VersaPulse PowerSuite
178 pages
Print Icon
To Next Page IconTo Next Page
To Next Page IconTo Next Page
To Previous Page IconTo Previous Page
To Previous Page IconTo Previous Page
Loading...
/80(1,6),(/'6(59,&(%8//(7,1
VERSAPULSE POWERSUITE FSB #1: REV. H HIGH VOLTAGE POWER
SUPPLY CONTROLLER PCB (P/N 0626-695-01) 22 MAY 2000
INTRODUCTION
This Field Service Bulletin provides information on the Revision “H” High Voltage Power Supply (HVPS)
Controller PCB for the VersaPulse® PowerSuite™ laser.
0626-695-01 REVISION "H" CONTROLLER PCB
Revision "H" HVPS Controller PCBs (P/N 0626-695-01) are now being shipped in production systems and is
also available as a replacement part. The next revision of the VersaPulse PowerSuite service manual will
include an updated schematic of the revision "H" High Voltage Power Supply Controller PCB.
The following information for the revision "H" High Voltage Power Supply Controller PCB is of particular
interest to the service organization.
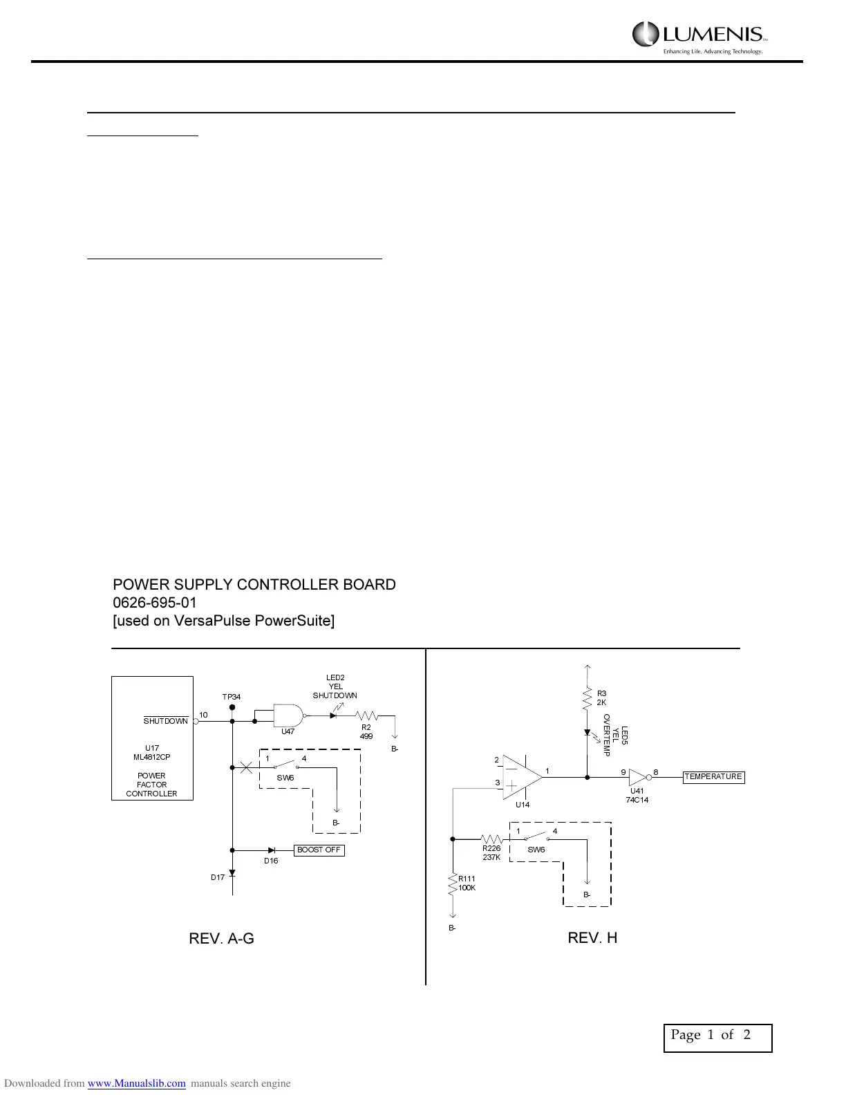
In revisions A - G of the HVPS Controller PCB, SW6: 1-4 disables the HighVoltage Power Supply by enabling
the /SHUTDOWN/ signal from the Power Factor Controller (this was to allow a test of the “SHUTDOWN”
circuit). Under ECO# 68444, the function of SW6 was changed and became part of the overtemp circuit. The
modification included cutting a trace between SW6:1 to U47 (shutdown circuit), and connecting a 237k
:
resistor (R226) in series between SW6:1 to U14-3 (overtemp circuit). In this new configuration, if SW6:1-4 is in
the open (default) position, the over temperature fault will occur if the coldplate temperature reaches 90
q C
(refer to the circuit diagrams below). If SW6 is in the closed position, (which it should never be in a VersaPulse
Power Suite), erroneous faults may occur, due to the overtemperature parameter being set too low (75° C).
.
8
0/&3
32:(5
)$&725
&21752//(5
'
'
%22672))
6+87'2:1
73
8
/('
<(/
6+87'2:1
5

%

6:

%
5
.
8
5
.
%
5
.
/
(
'
<
(
/
2
9
(
5
7
(
0
3
8
&
7(03(5$785(

6:

%
32:(56833/<&21752//(5%2$5'

>XVHGRQ9HUVD3XOVH3RZHU6XLWH@
5(9$*
5(9+
Page 1 of 2

Table of Contents

Related product manuals