EasyManua.ls Logo

LUMENIS VersaPulse PowerSuite - Relay and Plano Mirrors Diagram

LUMENIS VersaPulse PowerSuite
178 pages
Print Icon
To Next Page IconTo Next Page
To Next Page IconTo Next Page
To Previous Page IconTo Previous Page
To Previous Page IconTo Previous Page
Loading...
&$/$'-867$/,*1 9HUVD3XOVH3RZHU6XLWH6HULHV6HUYLFH0DQXDO
 5(9%
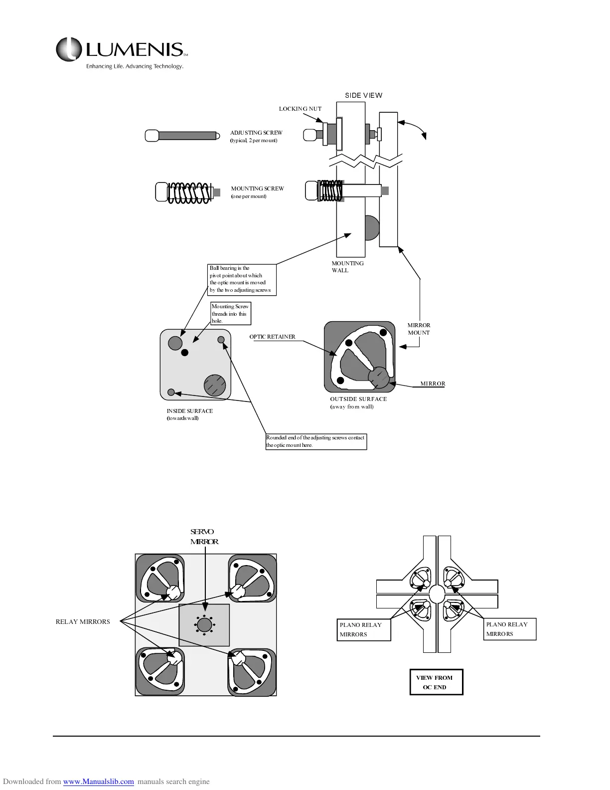
FIG. 3.4: ADJUSTMENT AND REPLACEMENT OF THE CHANNEL OPTICS
FIG. 3.5: RELAY AND PLANO MIRRORS (Ho/Nd:YAG)
02817,1*6&5(:
RQHSHUPRXQW
$'-867,1*6&5(:
W\SLFDOSHUPRXQW
/2&. ,1* 1 87
02817,1*
:$//
0,5525
028 17
237,&5(7$,1(5
0,5525
0RXQWLQJ6FUHZ
WKUHDGVLQWRWKLV
KROH
2876 ,'(685 )$ &(
DZD\I U RPZDO O
,16,'(685)$&(
WRZDUGVZDOO
6,'(9,(:
5RXQGHGHQGRIWKHDGMXVWLQJVFUHZVFRQWDFW
WKHRSWLF PRXQW KHUH
%DOOEHDULQJLVWKH
SLYRWSRLQWDERXWZKLFK
WKHRSWLFPRXQWLVPRYHG
E\WKHWZRDGMXVWLQJVFUHZV
6(592
0,5 52 5
9,(:)520
2&(1'
3/$125(/$<
0,55256
3/$125(/$<
0,55256
5(/$<0,55256

Table of Contents

Related product manuals