EasyManua.ls Logo

Moog T200 - Page 108

Moog T200
374 pages
Print Icon
To Next Page IconTo Next Page
To Next Page IconTo Next Page
To Previous Page IconTo Previous Page
To Previous Page IconTo Previous Page
Loading...
SECTION 3: WIRING AND INSTALLATION T200 User's Manual
PAGE 3-69
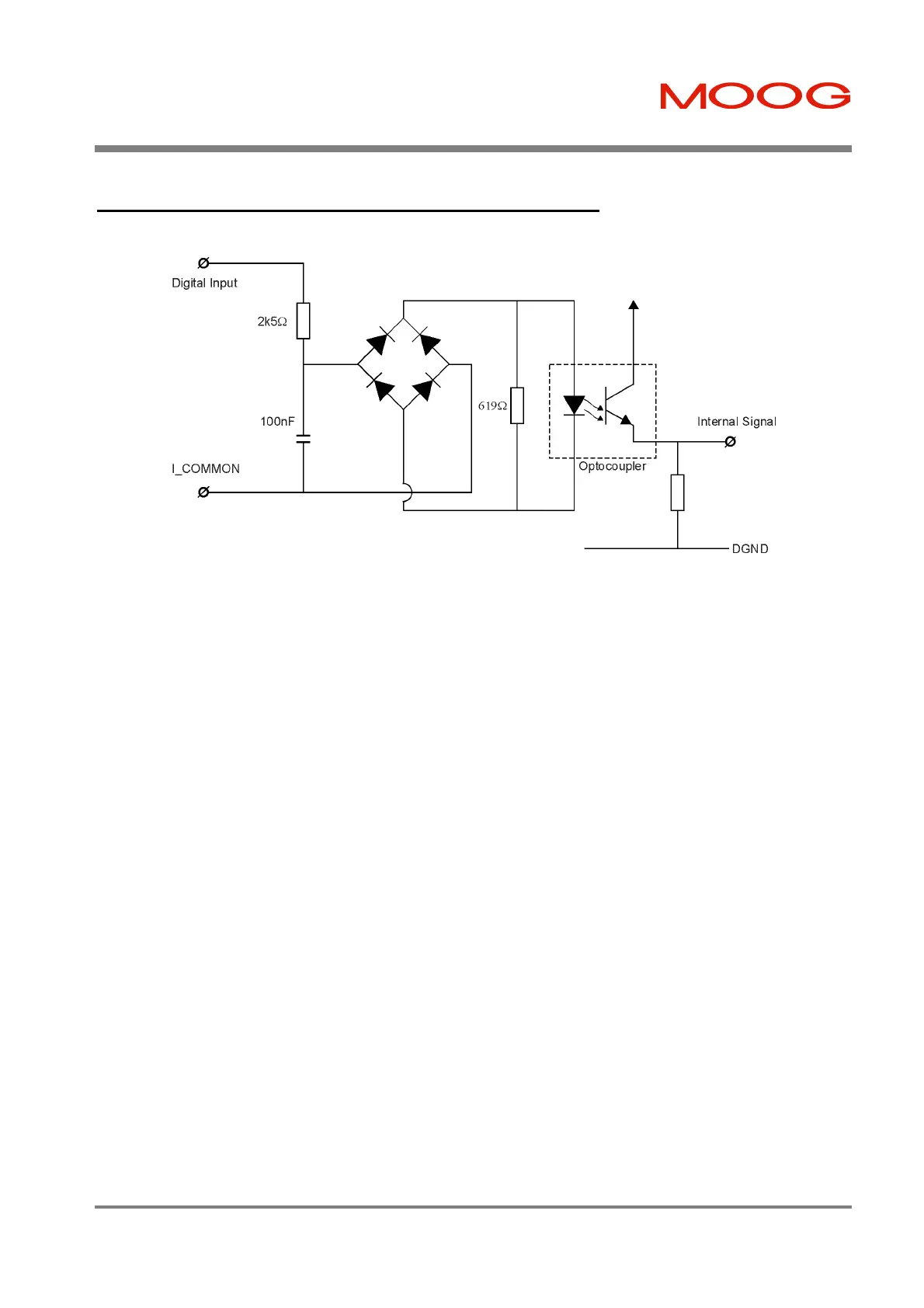
3.15.1 General Purpose Description of the Digital Inputs
The following electrical description applies to all the digital inputs of the T200.
Figure 3.39:- T200 Generic Digital Inputs
Note that:-
§ Input Impedance is 2.5k .
§ Voltage Range is 12V to 32V from Digital-Input to the I_COMMON line.
§ Input voltages whose magnitude is less than 12V with respect to the I_COMMON line will not be
guaranteed to be recognised as an active signal input.
§ Input voltages whose magnitude is more than 5V with respect to the I_COMMON line will not be
guaranteed to be recognised as an inactive signal input
§ All digital inputs are optically isolated for noise immunity purposes. All T200 digital inputs are isolated from
high voltage circuitry internally by double insulation standard isolation, and are considered Safety Extra Low
Voltage circuitry.
§ Digital inputs can serve as high side or low side driven, to cope with a wide variety of digital output formats. For
example, I_COMMON can be connected to an external +24V supply, and the Digital Input connected to a pull-
down output of a PLC. Alternatively I_COMMON can be connected to an external 24V-RETurn, and the Digital
Input connected to a pull-up output of a PLC.
Artisan Technology Group - Quality Instrumentation ... Guaranteed | (888) 88-SOURCE | www.artisantg.com

Table of Contents

Related product manuals