EasyManua.ls Logo

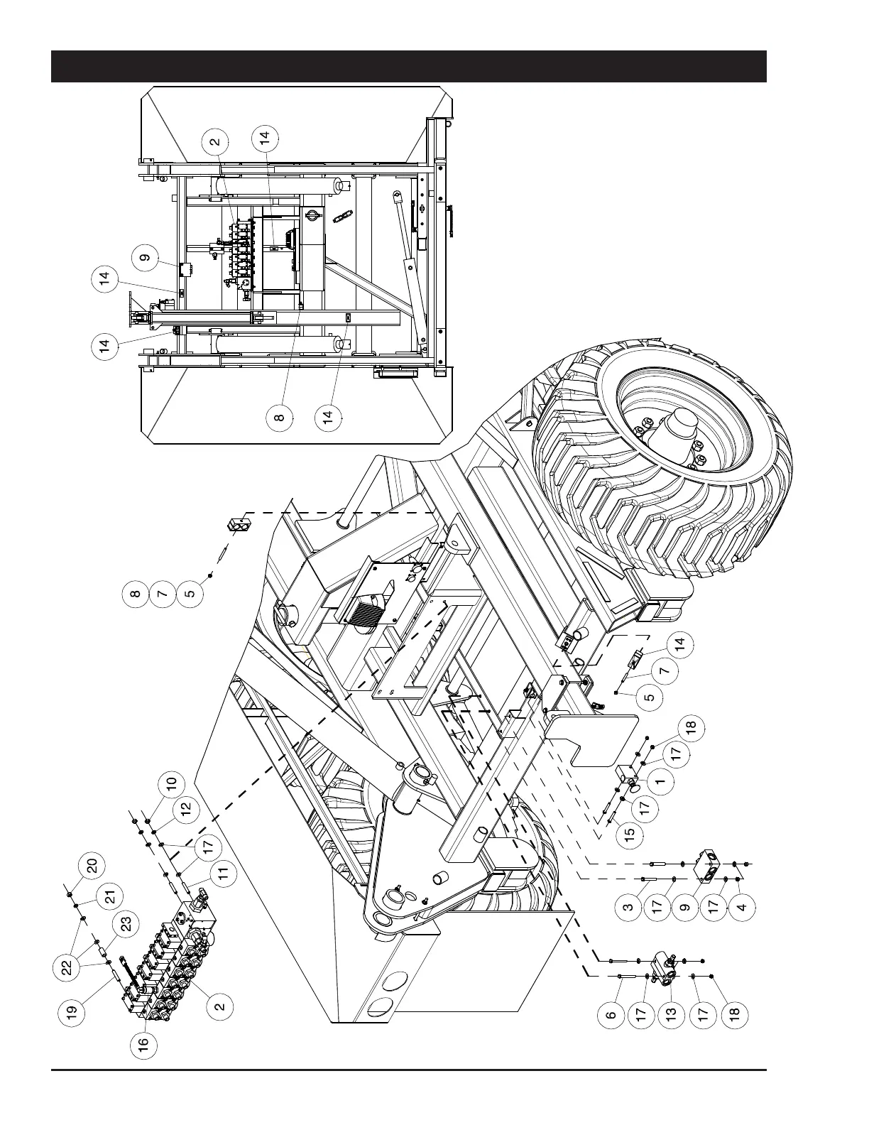
Morris PROAG 16K PLUS - Hydraulic Valves Mounting

Morris PROAG 16K PLUS
190 pages
Print Icon
To Next Page IconTo Next Page
To Next Page IconTo Next Page
To Previous Page IconTo Previous Page
To Previous Page IconTo Previous Page
Loading...
9-6 October 2019 16K PLUS
Hydraulic Valves Mounting

Table of Contents

Related product manuals