EasyManua.ls Logo

Omron EJ1 - Page 112

Omron EJ1
253 pages
Print Icon
To Next Page IconTo Next Page
To Next Page IconTo Next Page
To Previous Page IconTo Previous Page
To Previous Page IconTo Previous Page
Loading...
91
Detecting Current Errors Section 4-5
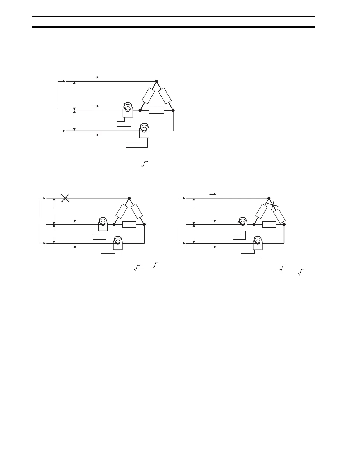
2. Three-phase Heaters
a. Delta Connection
Example: Using Three 200-VAC, 2-kW Heaters
When each phase's current is normal, the current is:
17.3 A (
× 10 A).
The heater burnout current when there is a burnout at the load line is as fol-
lows:
Heater burnout detection current =
16.15 [A]
The heater burnout current when there is a burnout at the load is as follows:
Heater burnout detection current =
13.65 [A]
To enable detection in either case, use 16.1 A as the heater burnout detection
current.
Normal Operation
CT
To CT input
To CT input
Load
Load
Load
17.3 A
200 V
200 V
17.3 A
17.3 A
200 V
CT
Load: Heater (example)
3
Heater Burnout Occurred
CT
To CT input
To CT input
Load
Load
Load
200 V
200 V
200 V 15 A
15 A
CT
Burnout
CT
To CT input
To CT input
Load
Load
Load
200 V
200 V
200 V
10 A
CT
Burnout
17.3 A
10 A
Load: Heater
(example)
Load: Heater
(example)
Current when there is a burnout = 10 A × ×
= 15 A
3
3
2
-------
Current when there is a burnout = 10 A × ×
= 10 A
3
1
3
-------
17.3 15+
2
------------------------
17.3 10+
2
------------------------

Table of Contents

Related product manuals