EasyManua.ls Logo

Rapid 4044 - Remote Panels; Figure 58: Basic Remote

Rapid 4044
162 pages
Print Icon
To Next Page IconTo Next Page
To Next Page IconTo Next Page
To Previous Page IconTo Previous Page
To Previous Page IconTo Previous Page
Loading...
4000-SERIES INSTALLATION, OPERATION AND SERVICE MANUAL
82 of 154
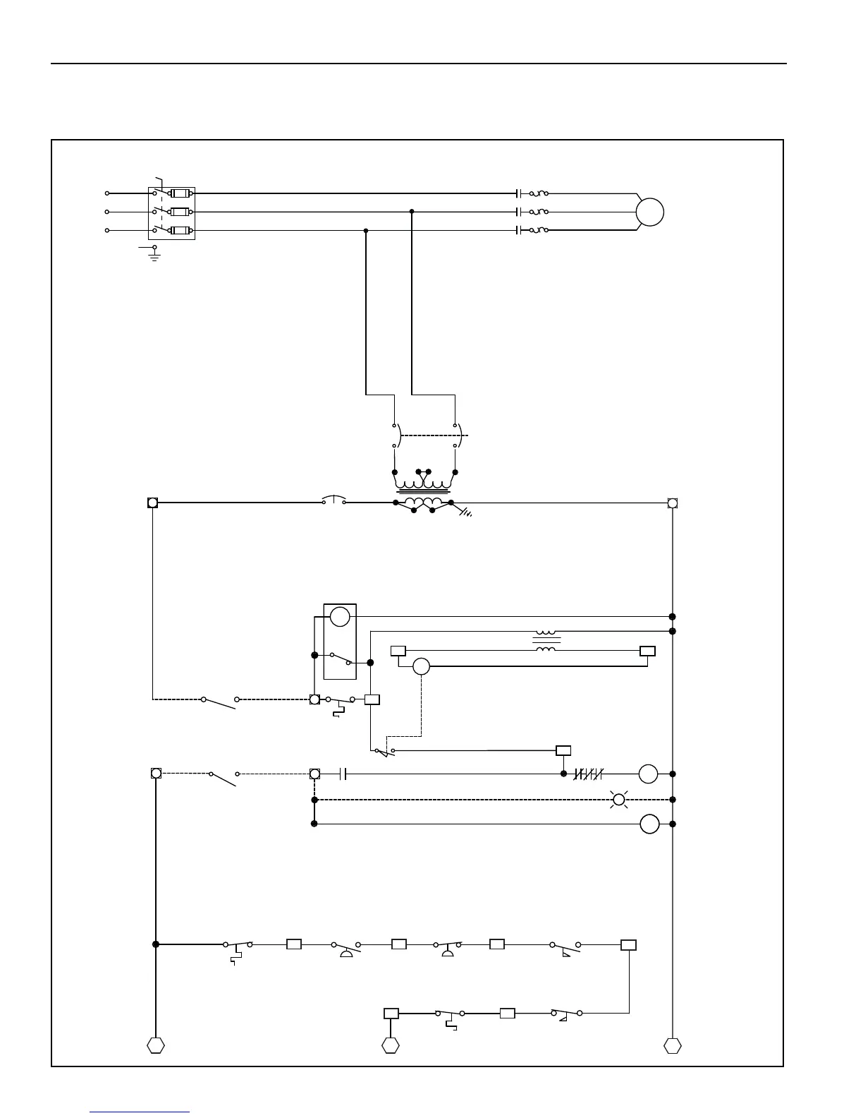
19.10 Remote Panels
19.10.1 Basic Remote
FIGURE 58: Basic Remote
1
5 MIN.
LLS
R W
C
NC
TR
1
LOW TEMP
BY-PASS TIMER
HLS
LO
T-1 CONTROL TRANS.
H1 H2
AFS1
PS-1
HIGH
GAS PRS.
SWITCH
FEEDER PROTECTION
REF: N.E.C. TABLE 430-152
SIZING BY OTHERS.
G
LPJ-50SP
POWER SUPPLY
____V___PH___HZ
____FLA
460
L2
L1
L3
60
35.1
3
F1
F1
DISC SW
F1
34.0
1800
25
SUPPLY FAN
MOTOR
____HP
____FLA
____RPM
MTR
T3
T2
1
T1
AA
FAN ON
LIGHT
LT
MOTOR FLA TAKEN FROM N.E.C
REFER TO NAMEPLATE FOR ACTUAL FLA
H3 H4
460VAC
HI
AFS2
RESET
MANUAL
LIMIT
HIGH TEMP
AIRFLOW
AIRFLOW
2
11
30
31
33
35
18
16
10
54
54
34
15
32
54
3A
CB-2
5A
CB-3
X4
120V
X1
X2X3
24VAC
T-4
DAMPER(s)
DAMPER L.S.
DM
1
INLET / SUPPLY
19
21
FAN
OFF
ON
ON
OFF
BURNER
SW-2
SW-1
M1
M1
MOL-1
START
MOTOR
M1
OL
350VA.
FAN RUNNING
86
CR
39
CR
PS-2
GAS PRS.
LOW
SWITCH
TH-3
OA STAT
BU R

Table of Contents

Related product manuals