EasyManua.ls Logo

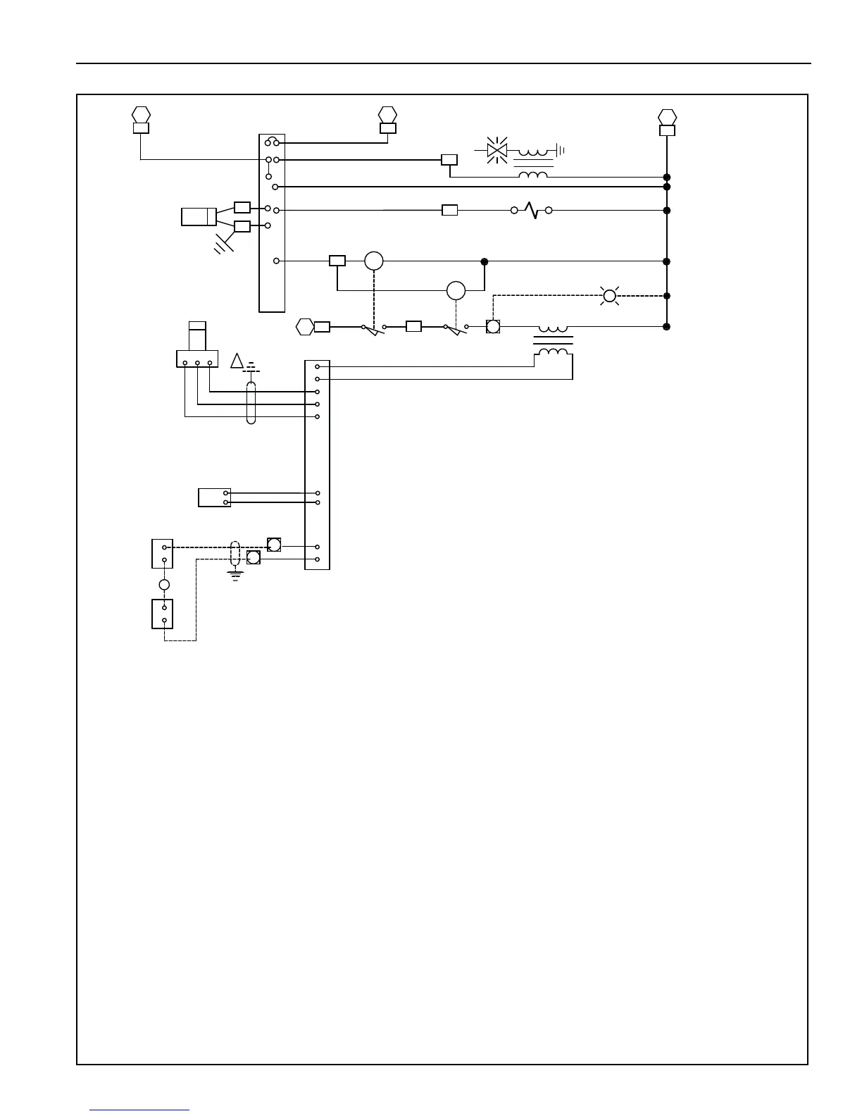
Rapid 4044 - Figure 65: Standard Room Control Remote (Continued)

Rapid 4044
162 pages
Print Icon
To Next Page IconTo Next Page
To Next Page IconTo Next Page
To Previous Page IconTo Previous Page
To Previous Page IconTo Previous Page
Loading...
SECTION 19: ELECTRICAL
89 of 154
FIGURE 65: Standard Room Control Remote (Continued)
MRV
1
W
2
B
UV
T3
LOW VOLTAGE
TRANSFORMER
AMPLIFIER
SP
T2
TRANSFORMER
IGNITION
G
F
9
8
L2
76
FR-1
10
5
SOL.-1
VALVE
BURNER ON
FLAME RELAY
PILOT VALVE
SOLENOID
PRIMARY SHUT-OFF
20
AA
LT- 2
VALVES OPEN
52
52
2
41
43
45
44
49
46
35
52
18
24VAC
51
52
SOV1
SOV2
1
52
47
B
W
R
8
9
3
4
5
1
2
321
1
TM
TCA
S
E
E
S
L
N
6
7
86
87
88

Table of Contents

Related product manuals