EasyManua.ls Logo

Rapid 4044 - Figure 63: Deluxe Room Control Remote (Continued)

Rapid 4044
162 pages
Print Icon
To Next Page IconTo Next Page
To Next Page IconTo Next Page
To Previous Page IconTo Previous Page
To Previous Page IconTo Previous Page
Loading...
SECTION 19: ELECTRICAL
87 of 154
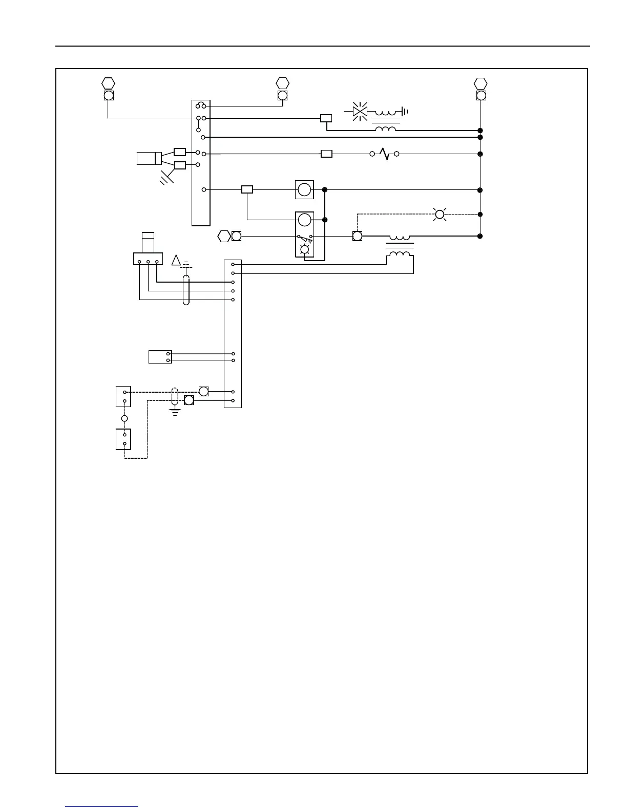
FIGURE 63: Deluxe Room Control Remote (Continued)
MRV
1
W
2
B
UV
T3
LOW VOLTAGE
TRANSFORMER
AMPLIFIER
SP
T2
TRANSFORMER
IGNITION
G
F
9
8
L2
76
FR-1
10
5
SOL.-1
VALVE
BURNER ON
FLAME RELAY
PILOT VALVE
SOLENOID
PRIMARY SHUT-OFF
20
AA
LT- 2
VALVES OPEN
52
52
41
43
45
44
49
46
52
24VAC
51
52
1
18
35
2
V1
V2
L
52
52
B
W
R
8
9
3
4
5
1
2
321
1
TM
TCA
S
E
E
S
L
N
6
7
55
56
57

Table of Contents

Related product manuals