EasyManua.ls Logo

Rapid 4044 - Figure 59: Basic Remote (Continued)

Rapid 4044
162 pages
Print Icon
To Next Page IconTo Next Page
To Next Page IconTo Next Page
To Previous Page IconTo Previous Page
To Previous Page IconTo Previous Page
Loading...
SECTION 19: ELECTRICAL
83 of 154
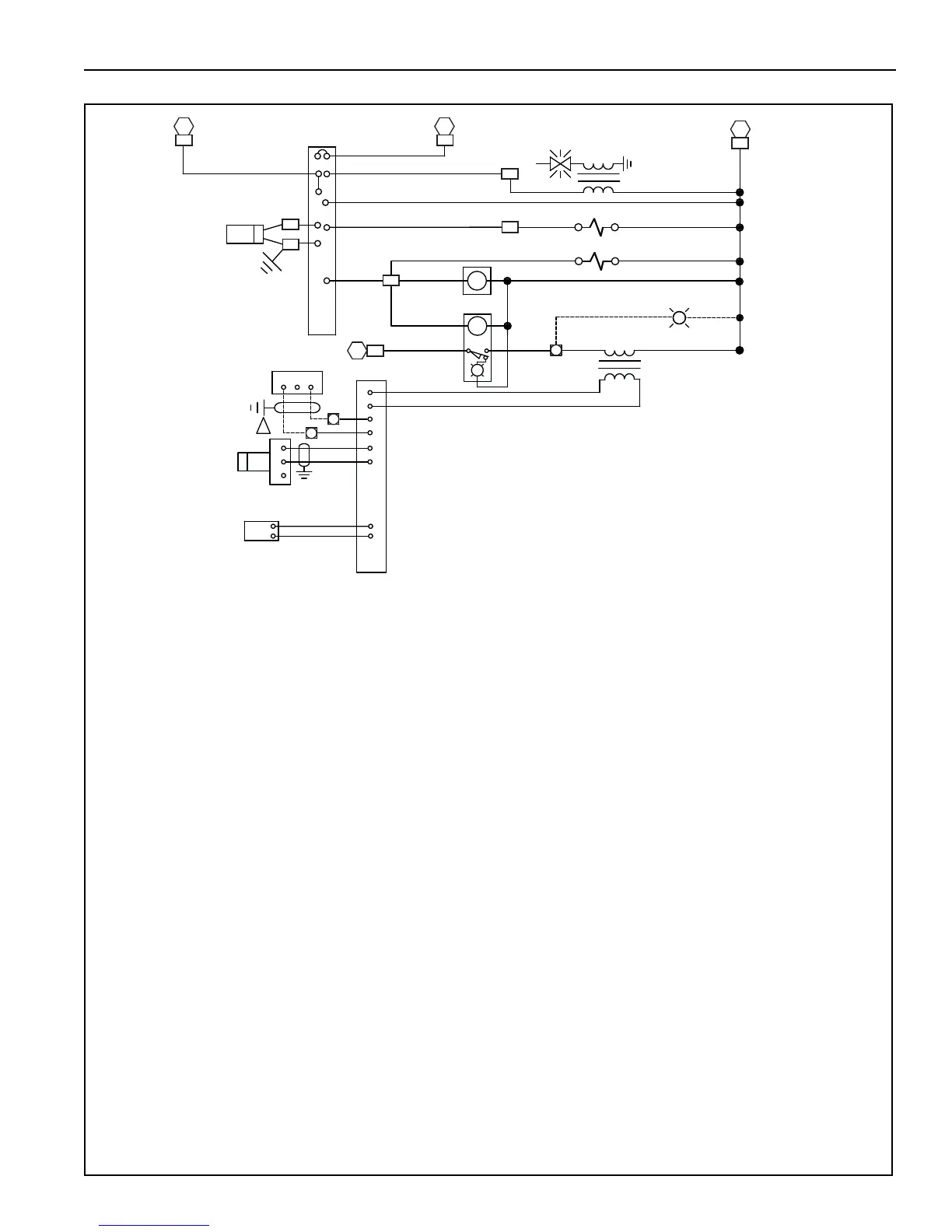
FIGURE 59: Basic Remote (Continued)
MRV
1
W
2
B
UV
T3
LOW VOLTAGE
TRANSFORMER
AMPLIFIER
SP
T2
TRANSFORMER
IGNITION
G
F
9
8
L2
76
FR-1
10
5
SOL.-1
VALVE
BURNER ON
FLAME RELAY
PILOT VALVE
SOLENOID
PRIMARY SHUT-OFF
20
AA
LT
VALVES OPEN
52
52
2
41
43
45
44
49
46
35
36
18
24VAC
40VA
80
81
6
5
TM
1
1
2
3
8
7
W
B
3
4
1
2
321
SEL
SERIES 14A
TCA
BASIC REMOTE
84
85
VENT VALVE
SOL.-2
V1
V2
L
1
1
21

Table of Contents

Related product manuals