EasyManua.ls Logo

Rapid 4044 - Figure 67: DDC-Ready Controls (Continued)

Rapid 4044
162 pages
Print Icon
To Next Page IconTo Next Page
To Next Page IconTo Next Page
To Previous Page IconTo Previous Page
To Previous Page IconTo Previous Page
Loading...
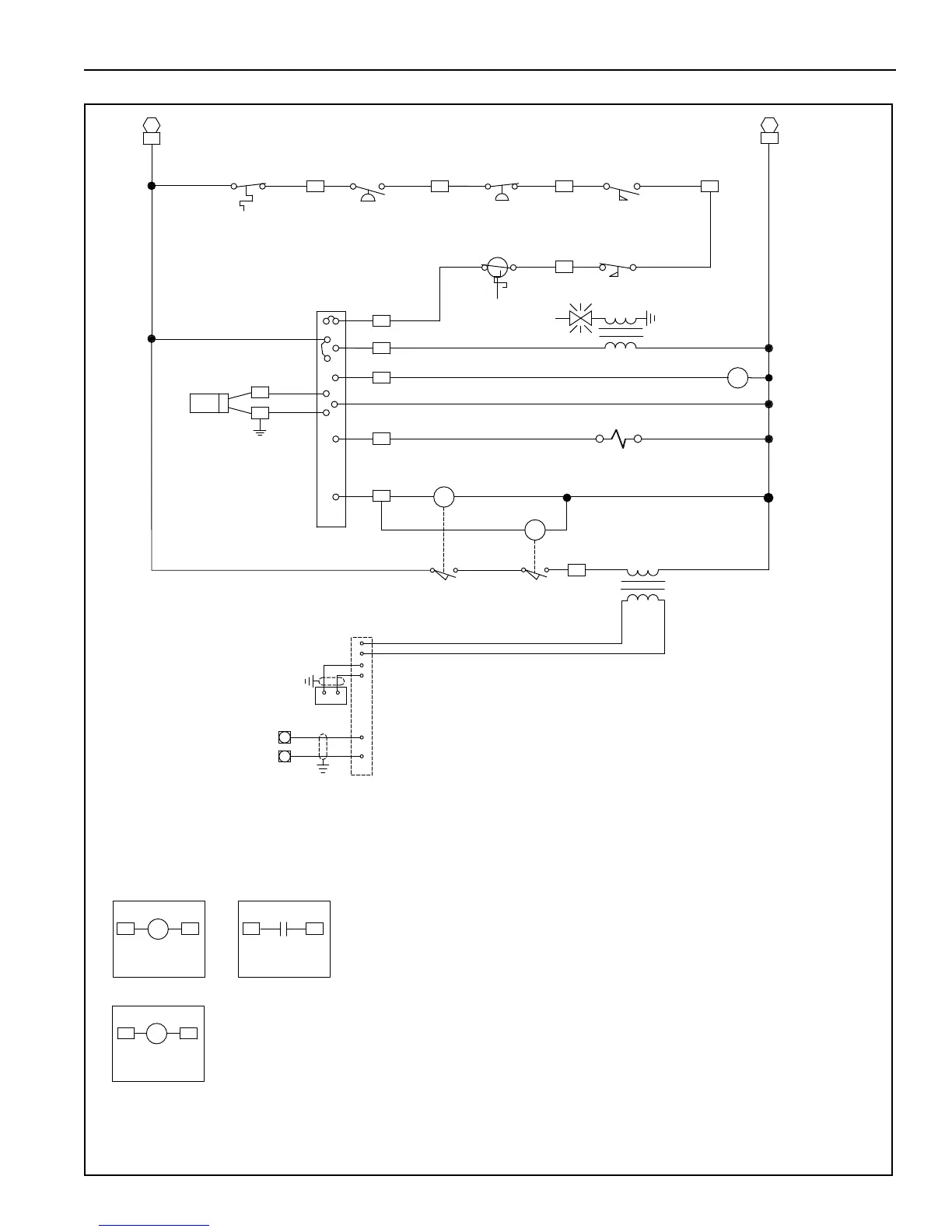
SECTION 19: ELECTRICAL
91 of 154
FIGURE 67: DDC-Ready Controls (Continued)
W
B
V3/MRV
2 1
UV
50
51
LOW VOLTAGE
TRANSFORMER
AMPLIFIER
SP
T-2
TRANSFORMER
IGNITION
G
F
9
8
L2
67
FR-1
10
5
SOL.-1
VALVE
BLOCK VALVE
FLAME RELAY
PILOT VALVE
SOLENOID
PRIMARY SHUT-OFF
20
HLS
LO
AFS1
PS-1
HIGH
GAS PRS.
SWITCH
HI
AFS2
LIMIT
HIGH TEMP
AIRFLOW
AIRFLOW
RM7897C
BU R
TH-2
OA STAT
CR93
24 VAC COIL
(YELLOW WIRE)
POWERED BY OTHERS
FAN START/STOP
INTERLOCK
CR98
24 VAC COIL
(YELLOW WIRE)
POWERED BY OTHERS
BURNER START/STOP
INTERLOCK
10 AMPS MAX
BURNER FAILURE
INTERLOCK
3
CR67
SAFETIES
BURNER FAILURE
RELAY
30
31
33
32
34
40
41
42
43
44
45
46
64
65
JUMPER
49
110
111
112
113
114
115
53
53
MANUAL
RESET
MANUAL
RESET
MANUAL
RESET
CR67
(YELLOW WIRE)
POWERED BY OTHERS
24VAC
T-3
120VAC
40VA
PS-2
GAS PRS.
LOW
SWITCH
SOV1
SOV2
48
4-20mA/0-10VDC MODULATION
INPUT
CONDITIONER
SIGNAL
1
2
3
4
-
+
6
5
B
R
SC-1
18
2

Table of Contents

Related product manuals