EasyManua.ls Logo

Rapid 4044 - Figure 64: Standard Room Control Remote

Rapid 4044
162 pages
Print Icon
To Next Page IconTo Next Page
To Next Page IconTo Next Page
To Previous Page IconTo Previous Page
To Previous Page IconTo Previous Page
Loading...
4000-SERIES INSTALLATION, OPERATION AND SERVICE MANUAL
88 of 154
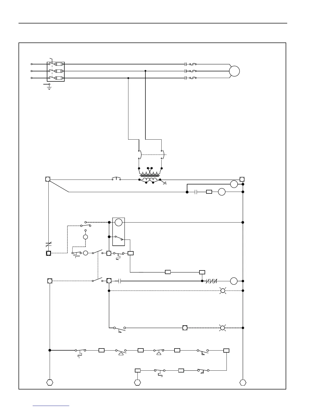
19.10.4 Standard Room Control Remote
FIGURE 64: Standard Room Control Remote
1
HLS
T-1 CONTROL TRANS.
H1 H2
AFS1-LO
PS-1
HIGH GAS
PRS. SWITCH
RESET
MANUAL
FEEDER PROTECTION
REF: N.E.C. TABLE 430-250
SIZING BY OTHERS.
G
LPJ-125SP
POWER SUPPLY
____V___PH___HZ
____FLA
460
L2
L1
L3
60
79.7
3
F1
F1
DISC SW
F1
77.0
1800
60
SUPPLY FAN
MOTOR
____HP
____FLA
____RPM
MTR
T3
T2
1
T1
AA
FAN ON
LIGHT
LT- 1
MOTOR FLA TAKEN FROM N.E.C
REFER TO NAMEPLATE FOR ACTUAL FLA
H3 H4
460VAC
AFS2-HI
RESET
MANUAL
LIMIT
HIGH TEMP
AIRFLOW
AIRFLOW
2
11
30
31
33
35
18
16
54
54
5
34
15
32
54
5A
CB-3
X4
120V
X1
X2X3
12
JUMPER JUMPER
SD
SMOKE DETECTOR
DISCHARGE
SD22
23
CR
22
23
CR
5
60
M1
M1
MOL-1
M1
OL
START
MOTOR
AFS3
AA
CLOGGED FILTER
LIGHT
70
500VA.
3A
CB-2
PS-2
LOW GAS
PRS. SWITCH
RESET
MANUAL
TH-3
OA STAT
BU R
TH-1
SW-2
SUMMER
ON
SW-1
OFF
R B
CYCLE STAT
AUTO
6
8
WINTER
5 MIN.
LLS
R W
C
NC
TR
1
LOW TEMP
BY-PASS TIMER
10

Table of Contents

Related product manuals