EasyManua.ls Logo

Rapid 4044 - DDC-Ready Controls; Figure 66: DDC-Ready Controls

Rapid 4044
162 pages
Print Icon
To Next Page IconTo Next Page
To Next Page IconTo Next Page
To Previous Page IconTo Previous Page
To Previous Page IconTo Previous Page
Loading...
4000-SERIES INSTALLATION, OPERATION AND SERVICE MANUAL
90 of 154
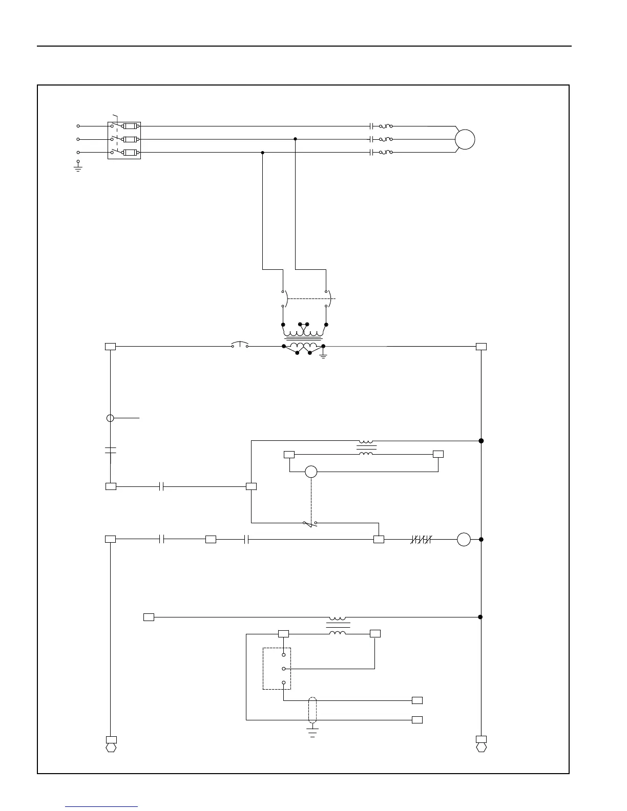
19.11 DDC-Ready Controls
FIGURE 66: DDC-Ready Controls
T-1 CONTROL TRANS.
X4
120VAC
X1
H1
500VA
H4
FEEDER PROTECTION
REF: N.E.C. TABLE 430-152
SIZING BY OTHERS.
G
LPJ-40SP
POWER SUPPLY
____V___PH___HZ
____FLA
460
L2
L1
L3
60
29.7
3
F1
F1
DISC SW
F1
27.0
1800
20
SUPPLY FAN
MOTOR
____HP
____FLA
____RPM
MTR
T3
T2
1
T1
MOTOR FLA TAKEN FROM N.E.C
REFER TO NAMEPLATE FOR ACTUAL FLA
H3 H2
FAN START/STOP
INTERLOCK
BURNER START/STOP
INTERLOCK
CR98
CR93
1
2
12
16
18
15
X3 X2
54
54
21
24
22
21
1
CR-23
5
JUMPER
460VAC
L2L3
M1
M1
MOL-1
M1
OL
MOTOR STARTER/
MOTOR
INLET
TRANS.
TRANS.
OVERLOAD RELAY
DM
1
INLET DAMPER
24VAC
T-4
INLET DAMPER
DAMPER L.S.
T-6
120VAC
120VAC
40VA
40VA
INLET DAMPER
OA/RA DAMPER
BLK
RED
3
DM2
BY OTHERS
CONTROL
24VAC
(-) COMMON
OA/RA
W
DAMPER
(+) 0 -10 VDC
3A
CB-2
5A
CB-3
8
9
2
18

Table of Contents

Related product manuals