EasyManua.ls Logo

Rapid 4044 - Figure 62: Deluxe Room Control Remote

Rapid 4044
162 pages
Print Icon
To Next Page IconTo Next Page
To Next Page IconTo Next Page
To Previous Page IconTo Previous Page
To Previous Page IconTo Previous Page
Loading...
4000-SERIES INSTALLATION, OPERATION AND SERVICE MANUAL
86 of 154
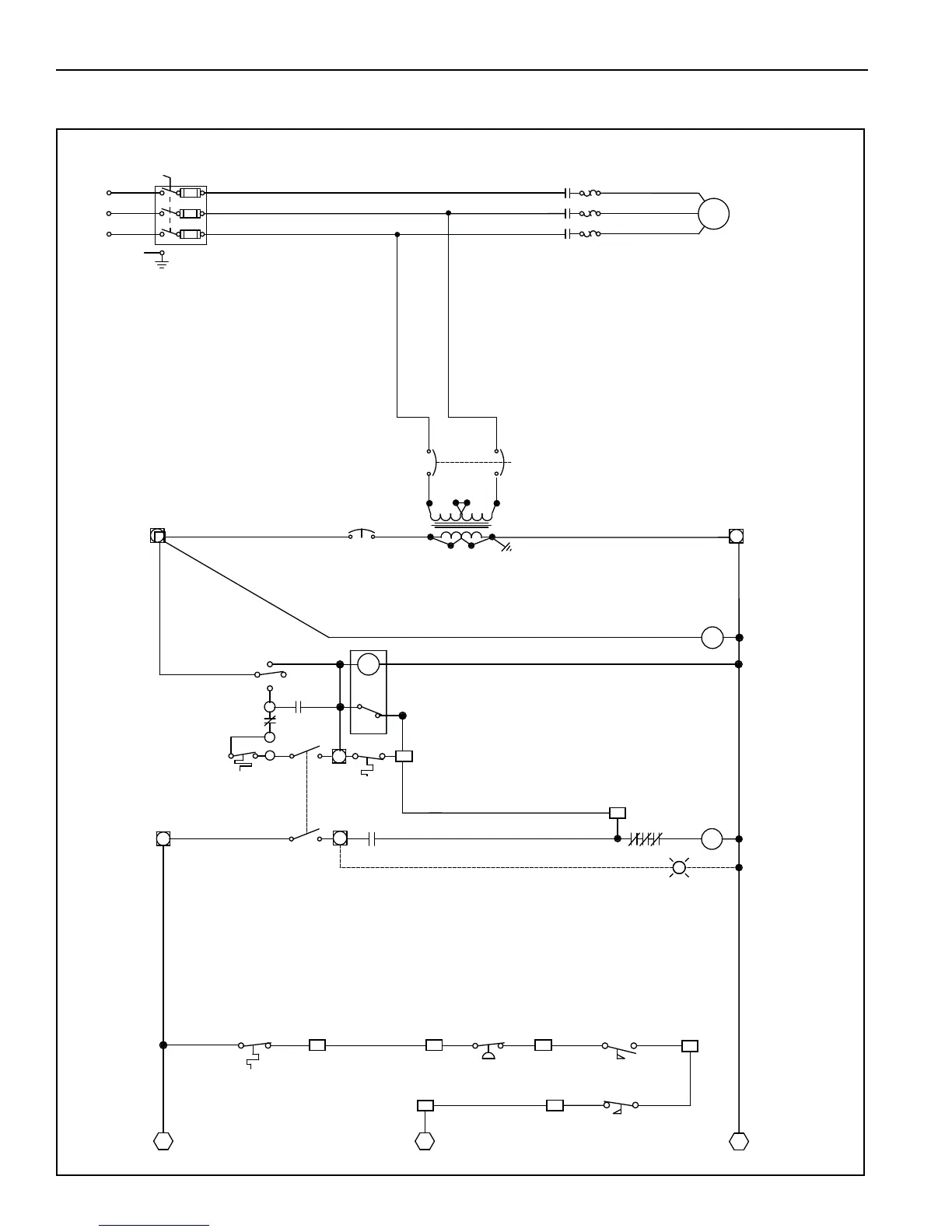
19.10.3 Deluxe Room Control Remote
FIGURE 62: Deluxe Room Control Remote
1
HLS
T-1 CONTROL TRANS.
H1 H2
AFS1-LO
PS-1
HIGH GAS
PRS. SWITCH
RESET
MANUAL
FEEDER PROTECTION
REF: N.E.C. TABLE 430-250
SIZING BY OTHERS.
G
LPJ-30SP
POWER SUPPLY
____V___PH___HZ
____FLA
460
L2
L1
L3
60
22.1
3
F1
F1
DISC SW
F1
21.0
1800
15
SUPPLY FAN
MOTOR
____HP
____FLA
____RPM
MTR
T3
T2
1
T1
AA
FAN ON
LIGHT
LT- 1
MOTOR FLA TAKEN FROM N.E.C
REFER TO NAMEPLATE FOR ACTUAL FLA
H3 H4
460VAC
AFS2-HI
RESET
MANUAL
LIMIT
HIGH TEMP
AIRFLOW
AIRFLOW
2
11
30
31
33
35
18
16
54
54
34
15
32
54
5A
CB-3
X4
120V
X1
X2X3
JUMPER
JUMPER
JUMPER
M1
M1
MOL-1
M1
OL
START
MOTOR
350VA
3A
CB-2
TH-1
SW-2
SUMMER
ON
SW-1
OFF
R B
CYCLE STAT
TC26
TC26
AUTO
6
7
8
WINTER
TC
TIME CLOCK
26
5 MIN.
LLS
R W
C
NC
TR
1
LOW TEMP
BY-PASS TIMER
10

Table of Contents

Related product manuals