EasyManua.ls Logo

Silca UC 199 - Page 102

Silca UC 199
107 pages
Print Icon
To Next Page IconTo Next Page
To Next Page IconTo Next Page
To Previous Page IconTo Previous Page
To Previous Page IconTo Previous Page
Loading...
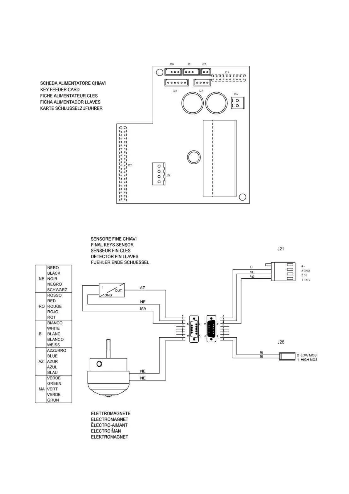
UC199 KEY-CUTTING MACHINE - OPTIONAL LOADER UNIT
Operating Manual UC199
Copyright Silca 2012
98

Table of Contents

Related product manuals