EasyManua.ls Logo

Silca UC 199 - Page 103

Silca UC 199
107 pages
Print Icon
To Next Page IconTo Next Page
To Next Page IconTo Next Page
To Previous Page IconTo Previous Page
To Previous Page IconTo Previous Page
Loading...
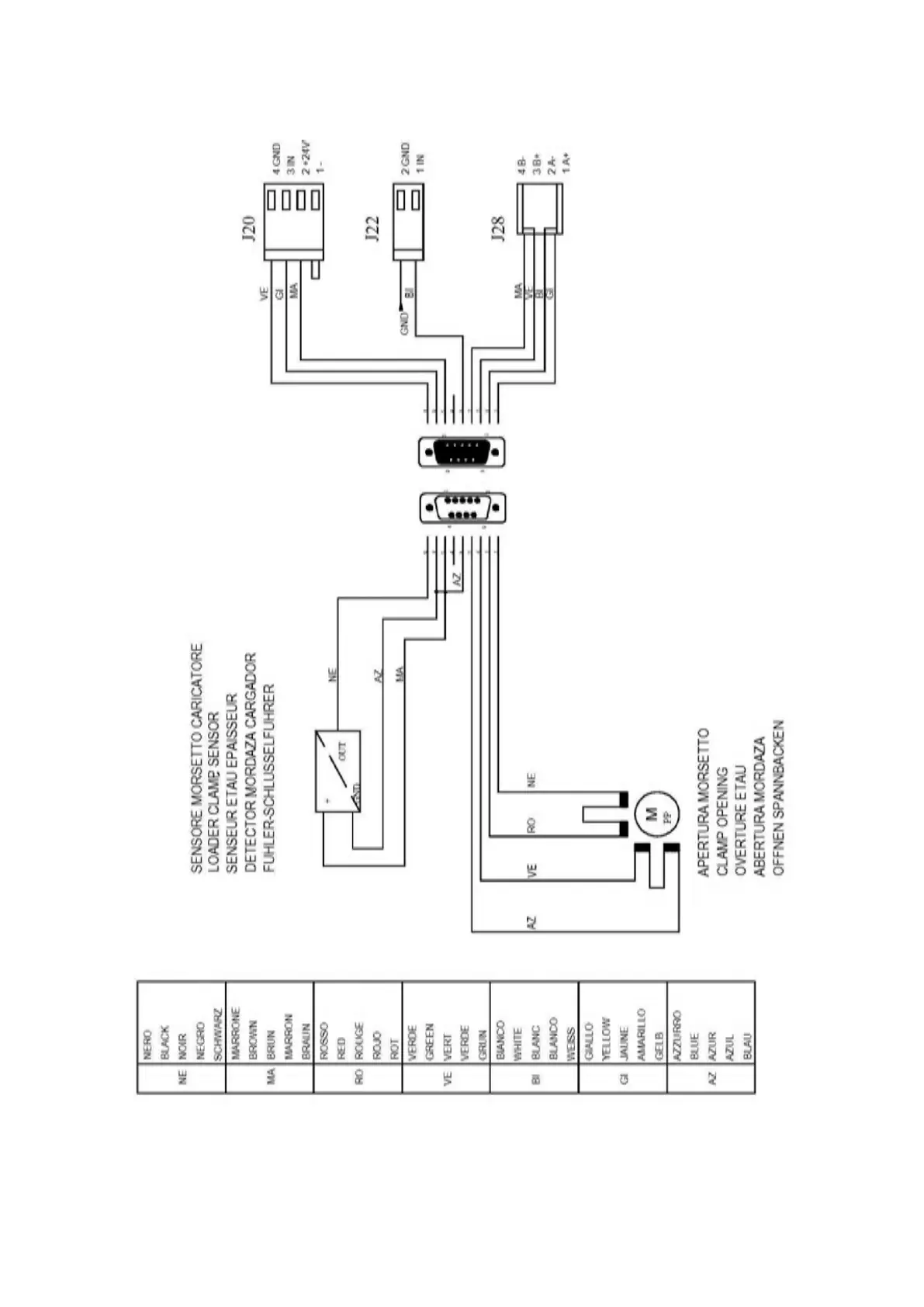
Operating Manual UC199
Copyright Silca 2012
99

Table of Contents

Related product manuals