EasyManua.ls Logo

Suzuki GSF650A - Headlight Components (GSX650 FK8)

Suzuki GSF650A
697 pages
To Next Page IconTo Next Page
To Next Page IconTo Next Page
To Previous Page IconTo Previous Page
To Previous Page IconTo Previous Page
Loading...
Lighting Systems: 9B-12
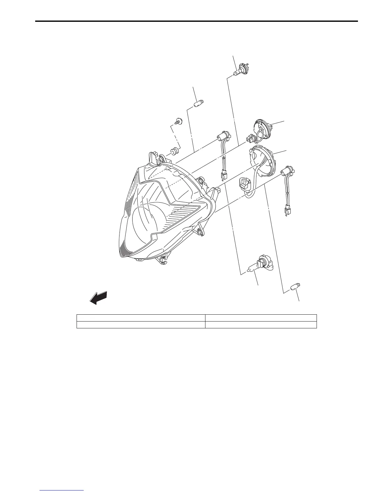
Headlight Components (GSX650FK8)
B817H29206024
FWD
FWD
1
3
4
4
3
2
I817H2920001-01
1. Headlight low beam bulb (12 V 55 W, H7) 3. Position light bulb (12 V 5 W x 2)
2. Headlight high beam bulb (12 V 60 W, HB3) 4. Bulb cap

Table of Contents

Related product manuals