EasyManua.ls Logo

Xerox WorkCentre 5021 - CH1.2 DC Power Generation (+5 VDC)

Xerox WorkCentre 5021
457 pages
Print Icon
To Next Page IconTo Next Page
To Next Page IconTo Next Page
To Previous Page IconTo Previous Page
To Previous Page IconTo Previous Page
Loading...
08/2012
7-34
WorkCentre 5021/5019
CH1.2
Initial Issue
Wiring Data
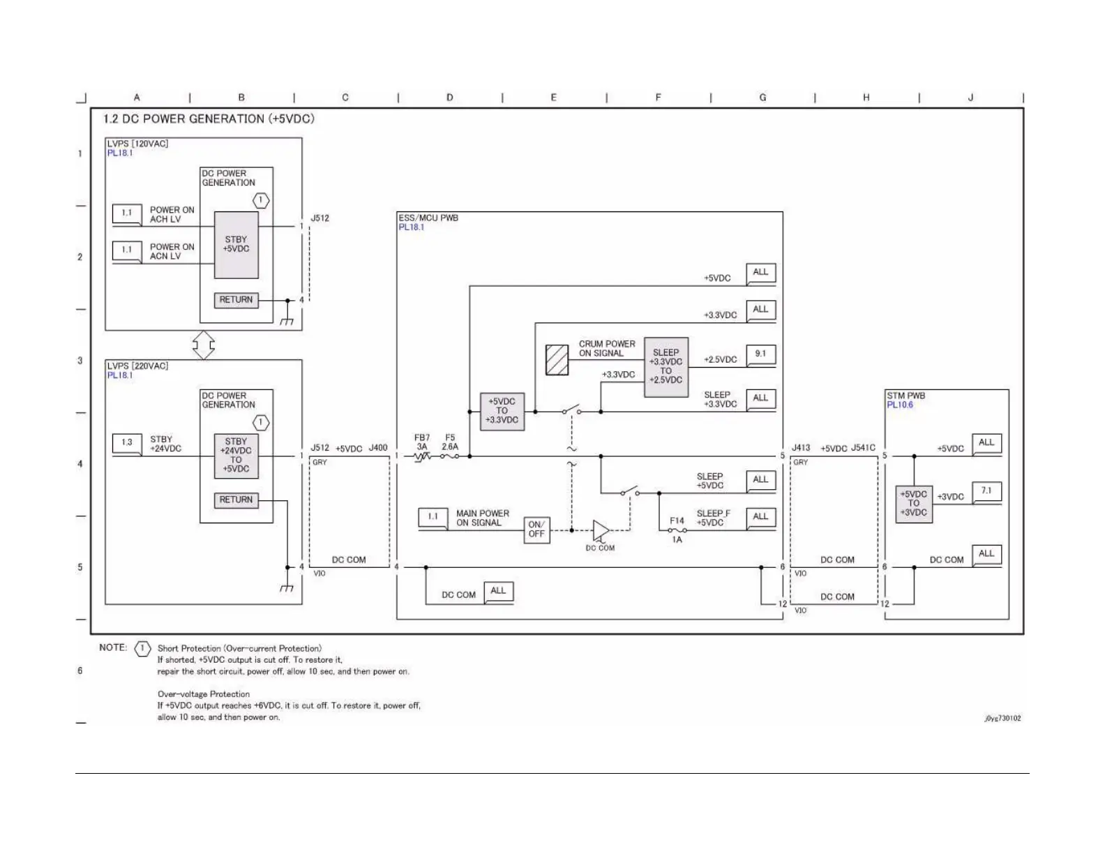
CH1.2 DC Power Generation (+5VDC)
Figure 1 j0yg730102

Table of Contents

Other manuals for Xerox WorkCentre 5021

Related product manuals