EasyManua.ls Logo

Yamaha E40J - Page 48

Yamaha E40J
200 pages
Print Icon
To Next Page IconTo Next Page
To Next Page IconTo Next Page
To Previous Page IconTo Previous Page
To Previous Page IconTo Previous Page
Loading...
FUEL
4-7
6F65G11
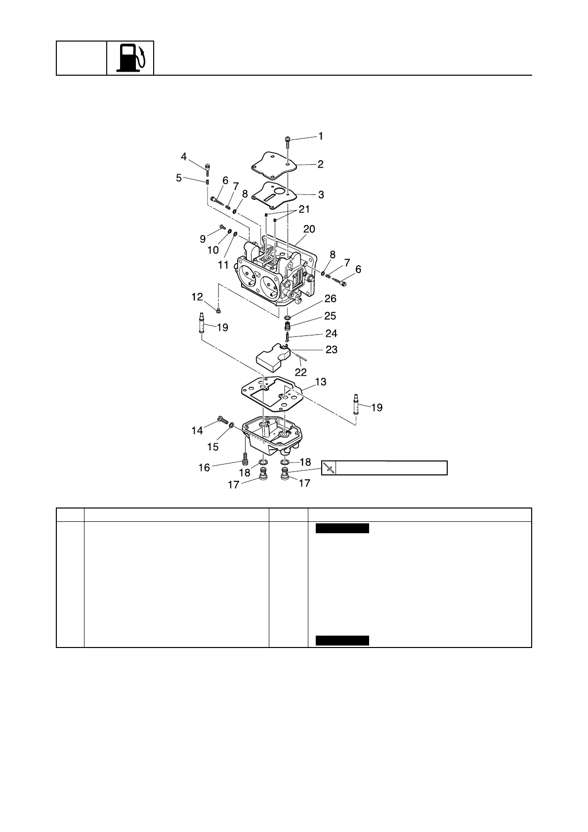
Fuel system
6F64040E
4 N·m (0.4 kgf·m, 3.0 ft·lb)
No. Part name Qty Remarks
18 Gasket 2
19 Main nozzle 2
20 Carburetor body 1
21 Pilot jet 2
22 Float pin 1
23 Float 1
24 Needle valve 1
25 Valve seat 1
26 Gasket 1
Not reusable
Not reusable

Table of Contents

Related product manuals