EasyManua.ls Logo

Yamaha E40J - Tiller Handle (MH, WH)

Yamaha E40J
200 pages
Print Icon
To Next Page IconTo Next Page
To Next Page IconTo Next Page
To Previous Page IconTo Previous Page
To Previous Page IconTo Previous Page
Loading...
6F65G11
7-2
9
8
7
6
5
4
3
2
1
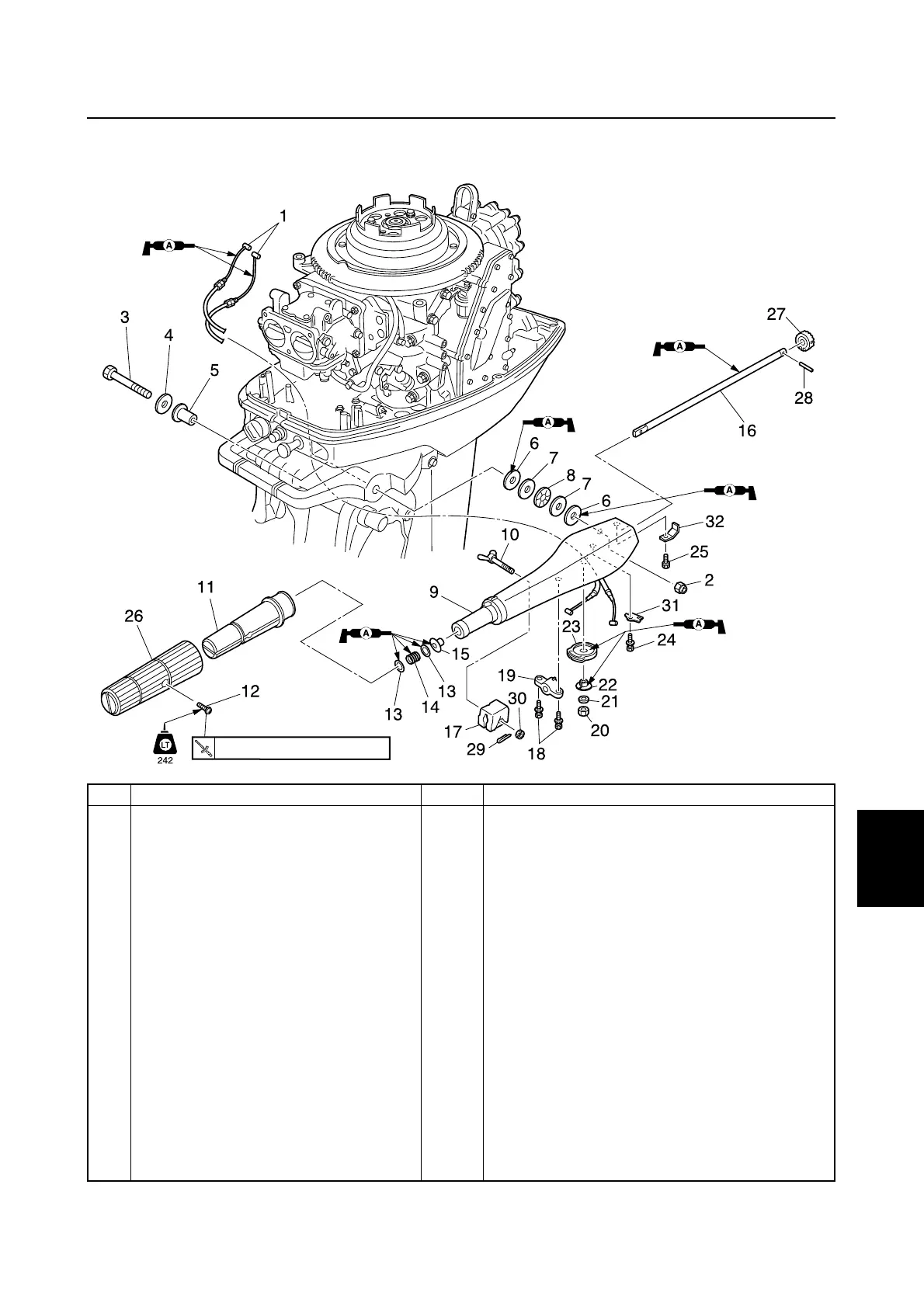
Special service tools/Tiller handle (MH, WH)
6F67010E
3 N·m (0.3 kgf·m, 2.2 ft·lb)
No. Part name Q’ty Remarks
1 Throttle cable 2
2 Self locking nut 1
3 Bolt 1 M12 × 68 mm
4 Washer 1
5 Collar 1
6 Plastic washer 2
7 Metal washer 2
8 Wave washer 1
9 Tiller handle bracket 1
10 Throttle friction adjuster 1
11 Throttle grip 1
12 Screw 1
13 Washer 2
14 Spring 1
15 Bushing 1
16 Throttle shaft 1
17 Friction piece 1
Tiller handle (MH, WH)

Table of Contents

Related product manuals