EasyManua.ls Logo

Yamaha MT-09 2021 - Cruise Control Circuit Operation

Yamaha MT-09 2021
752 pages
Print Icon
To Next Page IconTo Next Page
To Next Page IconTo Next Page
To Previous Page IconTo Previous Page
To Previous Page IconTo Previous Page
Loading...
9-30
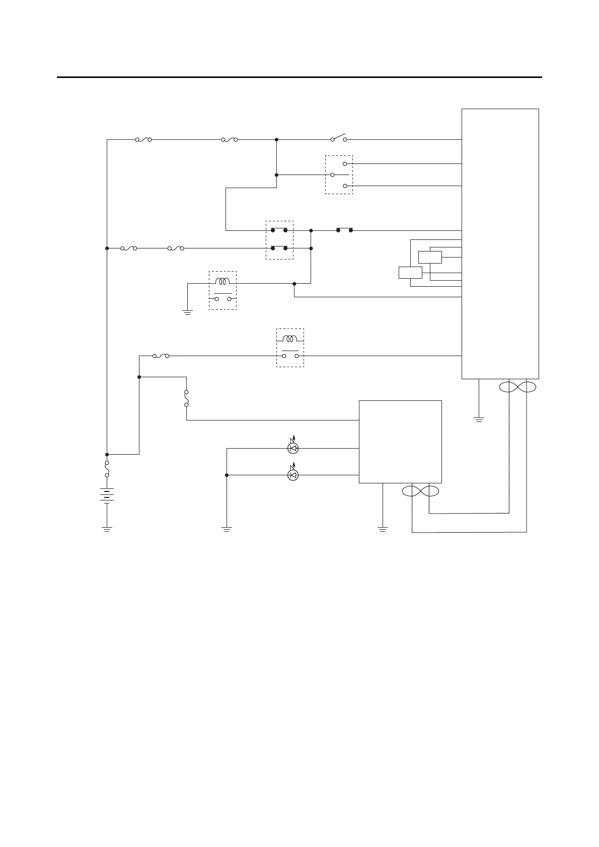
CRUISE CONTROL SYSTEM (for MTN890D)
EAS32876
CRUISE CONTROL CIRCUIT OPERATION
13. Accelerator
position sensor
1. Battery
2. Main
fuse
3. Ignition
fuse 2
4. Fuel injection
system fuse
5. Signaling
system
fuse
6. Brake
light
fuse
7. Ignition
fuse 1
8. Cruise control
system fuse
9. Cruise control
power switch
10.Cruise control
setting switch
11.Front brake
light switch
12.Rear brake
light switch
14.Brake light relay
15.Fuel pump relay
17.Multi-function
meter
16.ECU (Engine
Control Unit)
18. Cruise control system indicator light
19. Cruise control setting indicator light
1. Battery
2. Main fuse
3. Ignition fuse 2
4. Fuel injection system fuse
5. Signaling system fuse
6. Brake light fuse
7. Ignition fuse 1
8. Cruise control system fuse
9. Cruise control power switch
10. Cruise control setting switch
11. Front brake light switch
12. Rear brake light switch
13. Accelerator position sensor
14. Brake light relay
15. Fuel pump relay
16. ECU (Engine Control Unit)
17. Multi-function meter
18. Cruise control system indicator light
19. Cruise control setting indicator light

Table of Contents

Related product manuals