EasyManua.ls Logo

YASKAWA SGD7W - 9.2 Cable Configurations

YASKAWA SGD7W
337 pages
Print Icon
To Next Page IconTo Next Page
To Next Page IconTo Next Page
To Previous Page IconTo Previous Page
To Previous Page IconTo Previous Page
Loading...
9.2 Cable Configurations
9.2.1 Connections to Linear Encoder from Dr. JOHANNES HEIDENHAIN GmbH
9-5
9
Cables and User-Assembled Wiring Materials for Linear Servomotors
9.2
Cable Configurations
9.2.1
Connections to Linear Encoder from Dr. JOHANNES
HEIDENHAIN GmbH
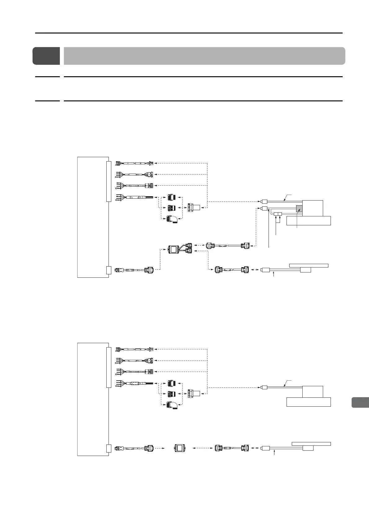
Connections for a 1 Vp-p Analog Voltage Output Signal
You must make the connections through a Yaskawa S erial Converter Unit. The output signal
will be multiplied by 8 bits (256 divisions) or 12 bits (4,096 divisions) in the Serial Converter
Unit.
Connecting to a Linear Servomotor with a Polarity Sensor
*1. Only SGLFW2 Servomotors come equipped with Thermal Protector Relay Connectors.
*2.
When using a JZDP-J00
-

Serial Converter Unit, do not use a Yaskawa Linear Encoder Cable that is longer than 3 m.
*3.
Contact Dr. JOHANNES HEIDENHAIN GmbH for details on cables (analog 1 Vp-p output, D-sub 15-pin, male) from Dr.
JOHANNES HEIDENHAIN GmbH.
Connecting to a Linear Servomotor without a Polarity Sensor
Servomotors Other Than the SGLFW2
*1. When using a JZDP-J00- S erial Converter Unit, do not use a Yaskawa Linear Encoder Cable that is lon-
ger than 3 m.
*2.
Contact Dr. JOHANNES HEIDENHAIN GmbH for details on cables (analog 1 Vp-p output, D-sub 15-pin, male) from Dr.
JOHANNES HEIDENHAIN GmbH.
SERVOPACK
Main circuit
connector
CN2
Serial Converter Unit
Servomotor Main Circuit Cable
Sensor Cable
Linear Encoder
Cable
*2
Serial Converter
Unit Cable
Servomotor Main
Circuit Cable
Moving
Coil
Magnetic Way
Polarity Sensor
Linear Encoder from
Dr. JOHANNES HEIDENHAIN GmbH
Thermal Protector
Relay Connector
*1
Sensor Cable
Cable from Dr. JOHANNES
HEIDENHAIN GmbH
*3
SERVOPACK
Main circuit
connector
CN2
Servomotor Main Circuit Cable
Linear Encoder
Cable
*1
Serial Converter
Unit Cable
Serial Converter
Unit
Servomotor Main
Circuit Cable
Moving
Coil
Magnetic Way
Linear Encoder from
Dr. JOHANNES HEIDENHAIN GmbH
Cable from
Dr. JOHANNES HEIDENHAIN GmbH
*2

Table of Contents

Related product manuals