EasyManua.ls Logo

YASKAWA SGD7W - Page 278

YASKAWA SGD7W
337 pages
Print Icon
To Next Page IconTo Next Page
To Next Page IconTo Next Page
To Previous Page IconTo Previous Page
To Previous Page IconTo Previous Page
Loading...
12.2 Magnetic Contactors
12-9
12
SERVOPACK Peripheral Devices
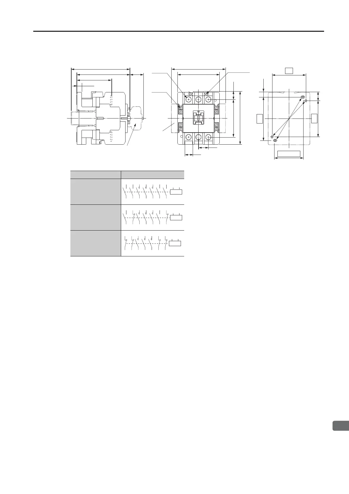
Model: SC-N2S or SC-N3
You can use either of the following two mount-
ing methods.
: 70 × 75
: (55 to) 60 × 90
Mounting screws: 2 × M4
Use two mounting holes in diagonally opposing
corners to mount the Magnetic Contactor.
Unit: mm
Approx. mass: 1.1 kg
Mounting Hole
Dimensional Diagram
10.5
20.5
16.8
60 (55 min.)
72.5
(28)
18
111
10.5
88
90
(112)*
121 (for a rail height of 15)
*: With two side-on auxiliary contact blocks mounted.
Main
terminals
M6
Auxiliary
terminal
M3.5
Coil
terminal
M3.5
With auxiliary
contact block
mounted
*
70
75
78
110
16.5
Auxiliary Contacts Contact Structure
4NO
2NO/2NC
4NC
A1 A2
13
14 22 2/T1 4/T2 6/T3 44 32
21 1/L1 3/L2 5/L3 43 31
A1 A2
13
14 22 2/T1 4/T2 6/T3 44 32
21 1/L1 3/L2 5/L3 43 31
A1 A2
13
14 22 2/T1 4/T2 6/T3 44 32
21 1/L1 3/L2 5/L3 43 31

Table of Contents

Related product manuals