EasyManua.ls Logo

YASKAWA SGDM - 3.19.2 SGMCS Servomotors 175 dia. Model

YASKAWA SGDM
578 pages
To Next Page IconTo Next Page
To Next Page IconTo Next Page
To Previous Page IconTo Previous Page
To Previous Page IconTo Previous Page
Loading...
3.19 Dimensional Drawings of SGMCS Servomotors
3-127
3
Servomotor Specifications and Dimensional Drawings
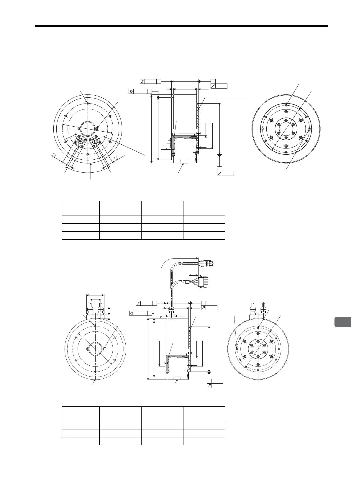
3.19.2 SGMCS Servomotors φ175 Model
(1) Applicable flange: 1
(2) Applicable flange: 4
R51MAX.
Connector area
2
×
M5
tapped,
depth 8
(Only for use by
Yaskawa)
130
φ
60
°
5
(LL)
L
5
±
0.9
φ175
φ160h7
(
9
)
(
1
)
φ35
+0.4
0
φ
130h7
φ
120
R36.5
25.4
23.4
B
0.02
A
φ0.07
0.07
0.04
A
B
(φ
100
)
φ160h7: φ160
-0.040
0
φ130h7: φ130
-0.040
0
6
×
M5 tapped, depth 8
(Divided into six equal sections
of sixty degrees)
6
×
M5 tapped, depth 8
(Divided into six equal sections
of sixty degrees)
(0.5: Bolt section)
Non-
rotating
section
Encoder-end
connector
Servomotor-end
connector
Nameplate
Nameplate
Units: mm
(shown with hatching)
Rotating section
2
×
M5
tapped,
depth 8
(Only for use by Yaskawa)
Model
SGMCS-
L(LL)
Approx. Mass
kg
04C
C11
69 59 7.2
10C
C11
90 80 10.2
14C
C11
130 120 14.2
5
20
(LL)
L
0.1
(
35
)
(
1
)
30
50
(
22
)
10
0.07 B
A
B
0.02
A
0.04
300
±
50
5
±
0.9
0.07
φ
175
φ
160h7
φ
130h7
φ
35
+0.4
0
φ
130
φ
(
100
)
φ
(
100
)
φ
120
φ
2
×
M5
tapped,
depth 8
(Only for use by
Yaskawa)
2
×
M5
tapped,
depth 8
(Only for use by
Yaskawa)
φ160h7: φ160
-0.040
0
φ130h7: φ130
-0.040
0
6
×
M5 tapped, depth 8
(Divided into six equal
sections of sixty degrees)
6
×
M5 tapped, depth 8
(Divided into six equal sections
of sixty degree)
(0.5: Bolt section)
Non-
rotating
section
Nameplate
Nameplate
Units: mm
(shown with hatching)
Rotating section
Model
SGMCS-
L(LL)
Approx. Mass
kg
04C
C41
69 59 7.2
10C
C41
90 80 10.2
14C
C41
130 120 14.2

Table of Contents

Related product manuals