EasyManua.ls Logo

YASKAWA SGDM - Page 311

YASKAWA SGDM
578 pages
To Next Page IconTo Next Page
To Next Page IconTo Next Page
To Previous Page IconTo Previous Page
To Previous Page IconTo Previous Page
Loading...
5 Specifications and Dimensional Drawings of Cables and Peripheral Devices
5.8.11 Magnetic Contactor
5-76
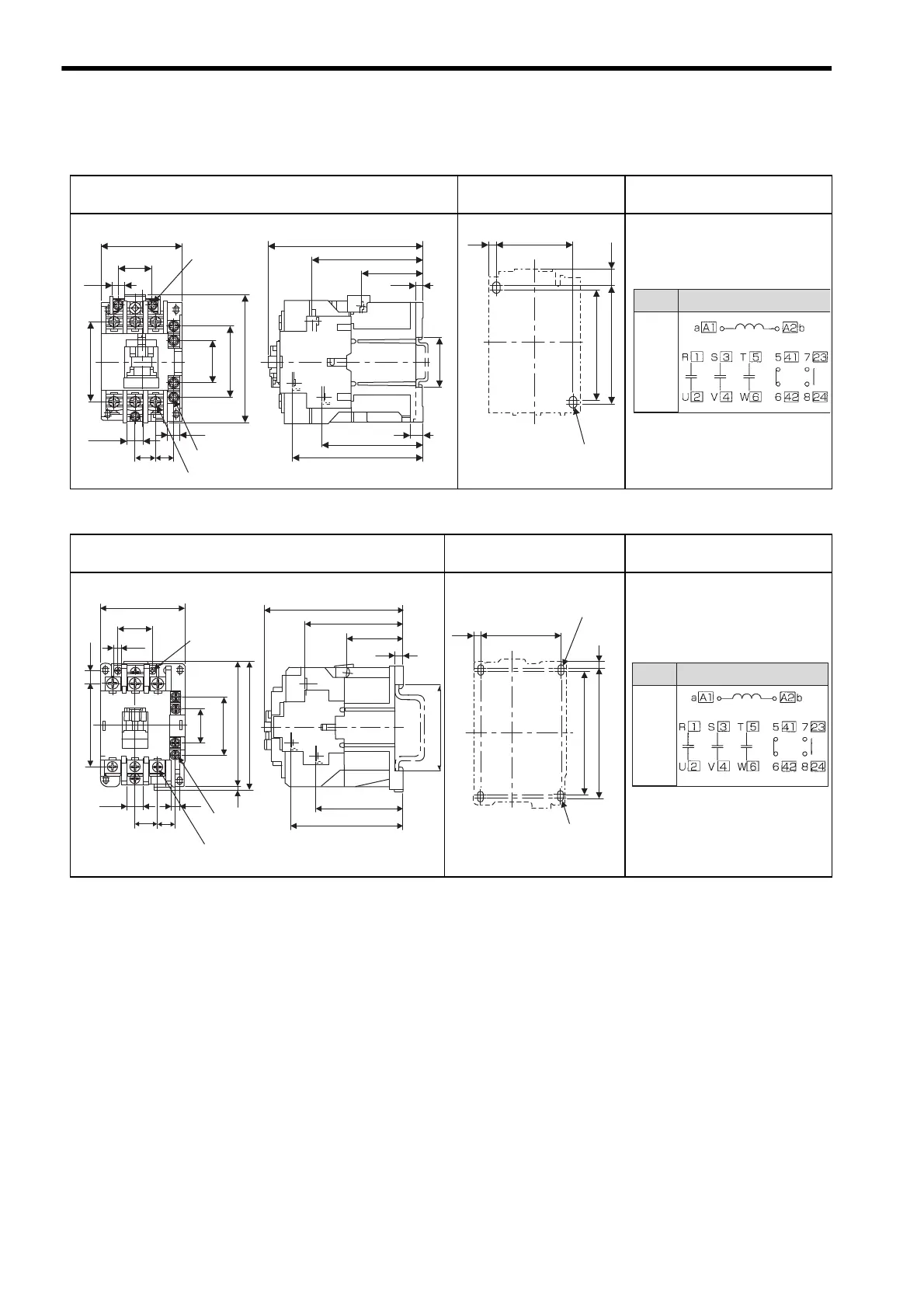
(c) Model: HI-25J and HI-35J
(d) Model: HI-50J and HI-65J
Dimensions in mm
Mounting Hole
Dimensions in mm
Terminal Symbols
Approx. mass: 0.68 kg
a
b
12.2
8.2
14.8
13.1
29
50
92
58.4
8.2
23.4
58
M3.5 Coil
terminal
M5 Main contact terminal
M3.5 Auxiliary
contact terminal
UVW
RST
111
79
45
4.5
35
94
72
9
7
5
8
6
2 × M4 Mounting
holes
70
75
10.5
50
4
Auxiliary
contact
Structure
1NO1NC
Dimensions in mm
Mounting Hole Dimensions
in mm
Terminal Symbols
Approx. mass: 1.1 kg
7
98
75
75.5
49.5
86.5
121
8.2
30
3
14
20
15.5
8.2
114
111
75
50
75
T
S
R
W
VU
10.3
M3.5
Coil terminal
M3.5 Auxiliary
contact terminal
Main contact terminal
HI-50J: M5
HI-65J: M6
a
b
29
7
5
8
6
95
100
6
65
B
A
5
2 × M4 Mounting
holes
BA
2 × M4 Mounting
holes
Auxiliary
contact
Structure
1NO1NC

Table of Contents

Related product manuals