EasyManua.ls Logo

ZONARE Z.ONE PRO - Cabling Diagram

ZONARE Z.ONE PRO
217 pages
Print Icon
To Next Page IconTo Next Page
To Next Page IconTo Next Page
To Previous Page IconTo Previous Page
To Previous Page IconTo Previous Page
Loading...
z.one
pro
Service Manual Page 97 of 217
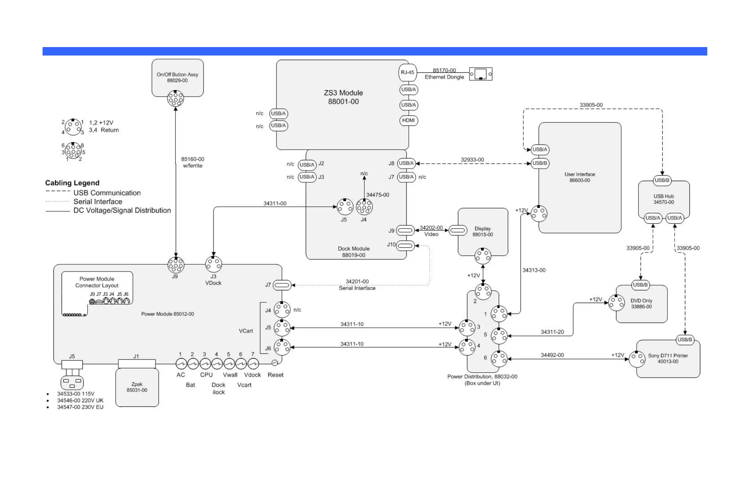
Cabling Diagram

Table of Contents

Other manuals for ZONARE Z.ONE PRO

Related product manuals