EasyManua.ls Logo

ZONARE Z.ONE PRO - System Block Diagram

ZONARE Z.ONE PRO
217 pages
Print Icon
To Next Page IconTo Next Page
To Next Page IconTo Next Page
To Previous Page IconTo Previous Page
To Previous Page IconTo Previous Page
Loading...
z.one
pro
Service Manual Page 98 of 217
Figure 22: Cabling Diagram
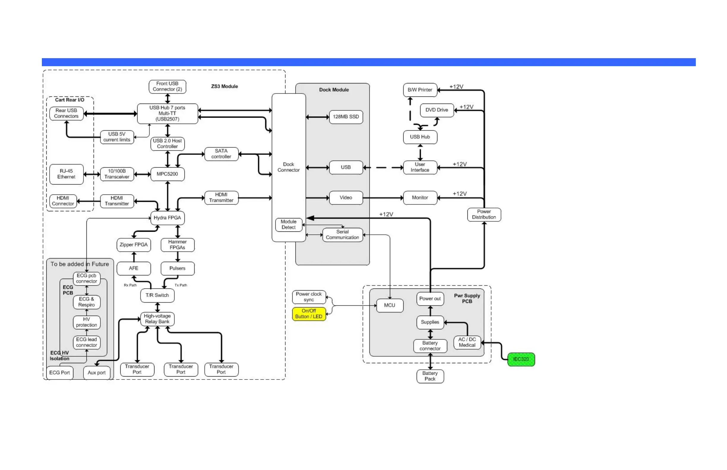
System Block Diagram
Figure 23: Overall System Block Diagram

Table of Contents

Other manuals for ZONARE Z.ONE PRO

Related product manuals