EasyManua.ls Logo

ABB REL650 - Page 356

ABB REL650
942 pages
Print Icon
To Next Page IconTo Next Page
To Next Page IconTo Next Page
To Previous Page IconTo Previous Page
To Previous Page IconTo Previous Page
Loading...
AND
AND
OR
OR
ULN1FF
ULN1OK
UB1FF
UB1OK
UB2FF
UB2OK
B1QCLD
B1QOPEN
LN1QCLD
LN1QOPEN
BLOCK
LN1SEL
AND
AND
USELFAIL
ULN2FF
ULN2OK
OR
AND
AND
B2QCLD
B2QOPEN
LN2QCLD
LN2QOPEN
AND
AND
LN2SEL
OR
AND
B2SEL
AND
AND
AND
en05000780-2.vsd
OR
OR
line2Voltage
bus2Voltage
line1Voltage
invalidSelection
lineVoltage
selectedFuseOK
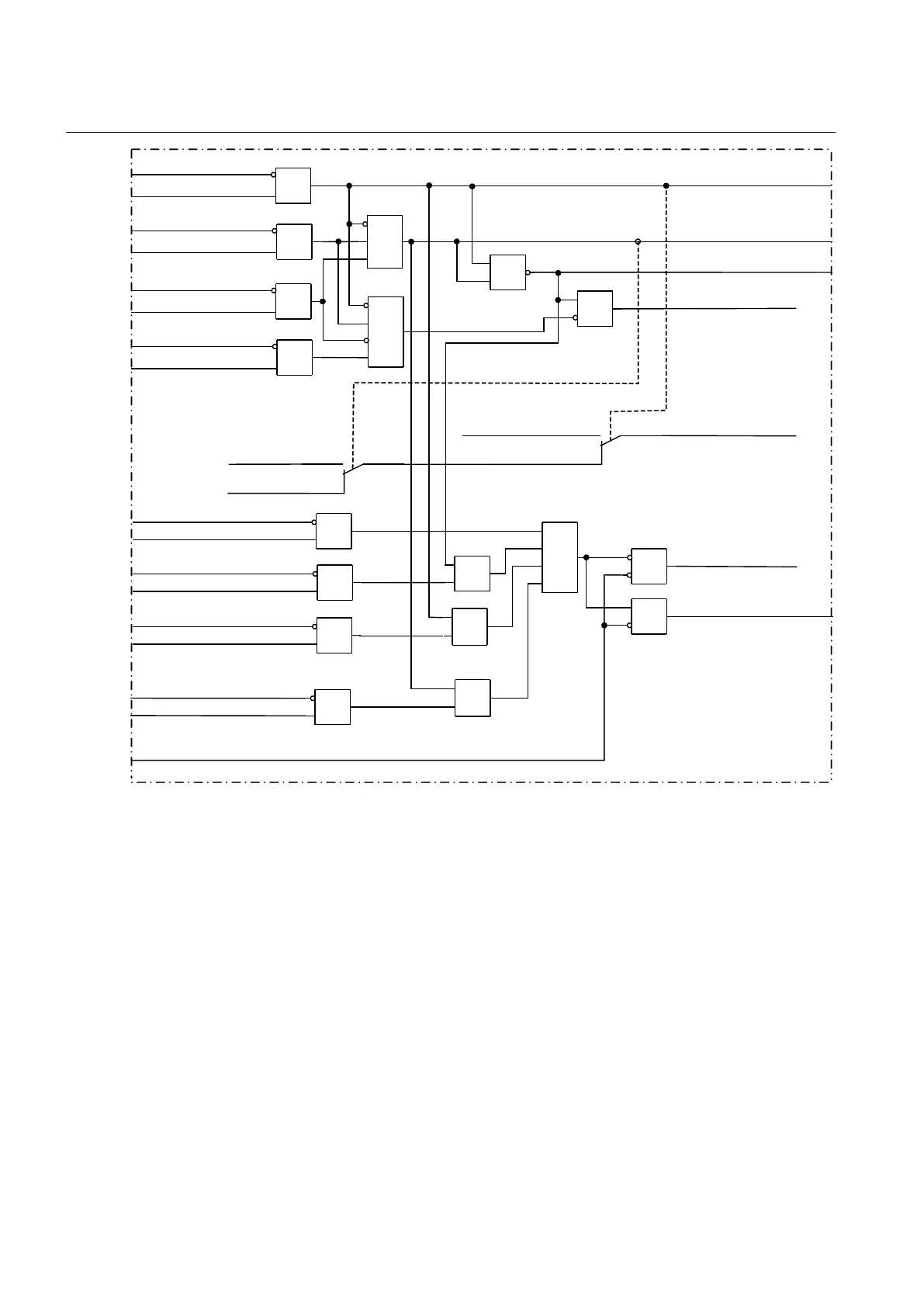
IEC05000780 V2 EN-US
Figure 173: Simplified logic diagram for the voltage selection function for a bus circuit breaker in a 1 1/2
breaker arrangement
Section 11 1MRK 506 382-UEN A
Control
350 Line distance protection REL650 2.2 IEC
Technical manual

Table of Contents

Other manuals for ABB REL650

Related product manuals