EasyManua.ls Logo

ABB REL650 - Page 357

ABB REL650
942 pages
Print Icon
To Next Page IconTo Next Page
To Next Page IconTo Next Page
To Previous Page IconTo Previous Page
To Previous Page IconTo Previous Page
Loading...
AND
AND
OR
OR
ULN1FF
ULN1OK
UB1FF
UB1OK
UB2FF
UB2OK
B1QCLD
B1QOPEN
LN1QCLD
LN1QOPEN
BLOCK
line1Voltage
LN1SEL
AND
AND
USELFAIL
ULN2FF
ULN2OK
OR
AND
AND
AND
AND
AND
1
B1SEL
bus1Voltage
AND
AND
AND
B2QCLD
B2QOPEN
LN2QCLD
LN2QOPEN
bus2Voltage
LN2SEL
AND
AND
1
B2SEL
line2Voltage
OR
en05000781-2.vsd
OR
OR
busVoltage
invalidSelection
lineVoltage
selectedFuseOK
IEC05000781 V2 EN-US
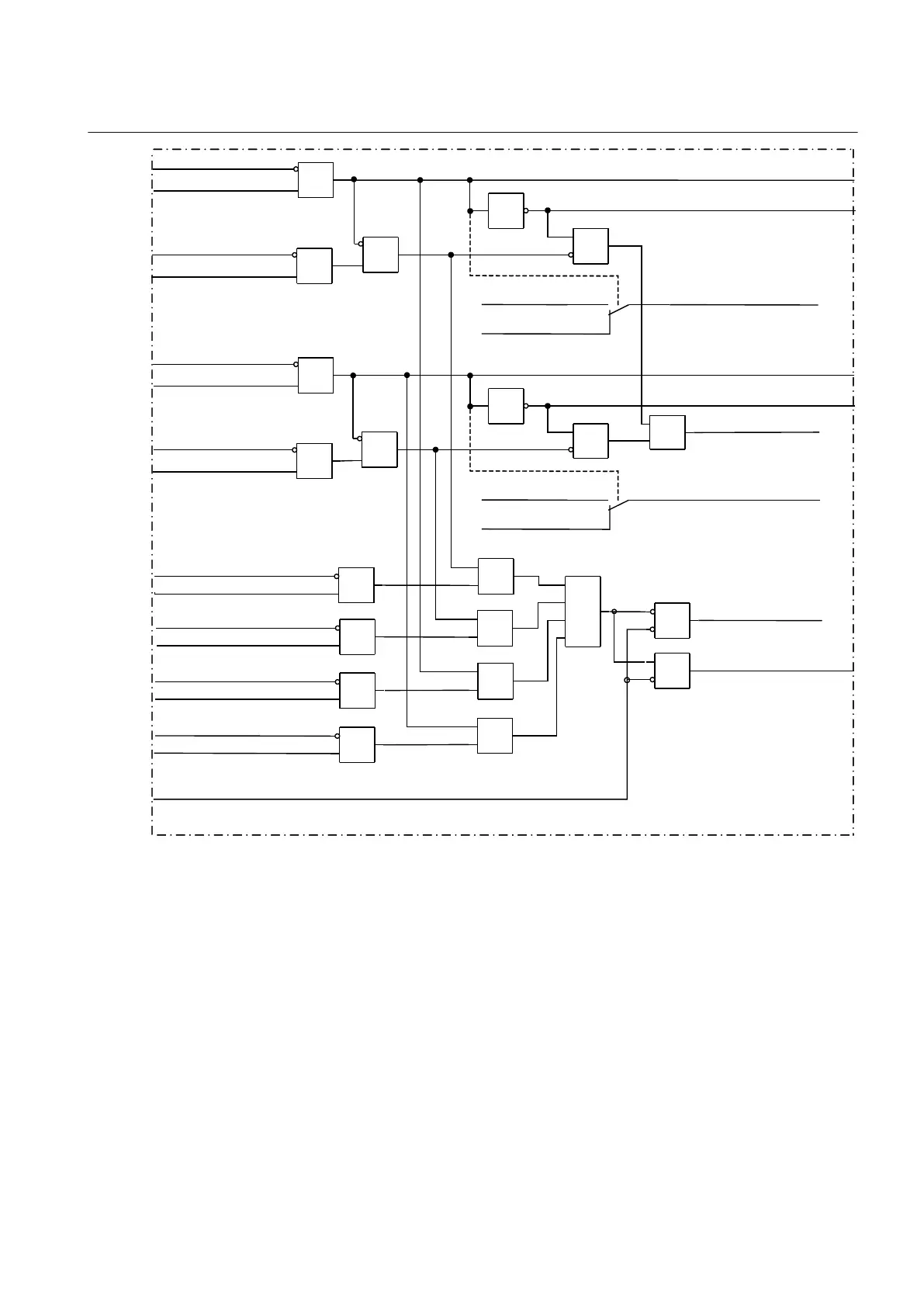
Figure 174: Simplified logic diagram for the voltage selection function for the tie circuit breaker in 1 1/2
breaker arrangement.
1MRK 506 382-UEN A Section 11
Control
Line distance protection REL650 2.2 IEC 351
Technical manual

Table of Contents

Other manuals for ABB REL650

Related product manuals