EasyManua.ls Logo

Amada WELD CHECKER MM-400A - Output Connector (D-Sub, 37-Pin, Female)

Amada WELD CHECKER MM-400A
328 pages
Print Icon
To Next Page IconTo Next Page
To Next Page IconTo Next Page
To Previous Page IconTo Previous Page
To Previous Page IconTo Previous Page
Loading...
MM-400A
10. Interface
10-2
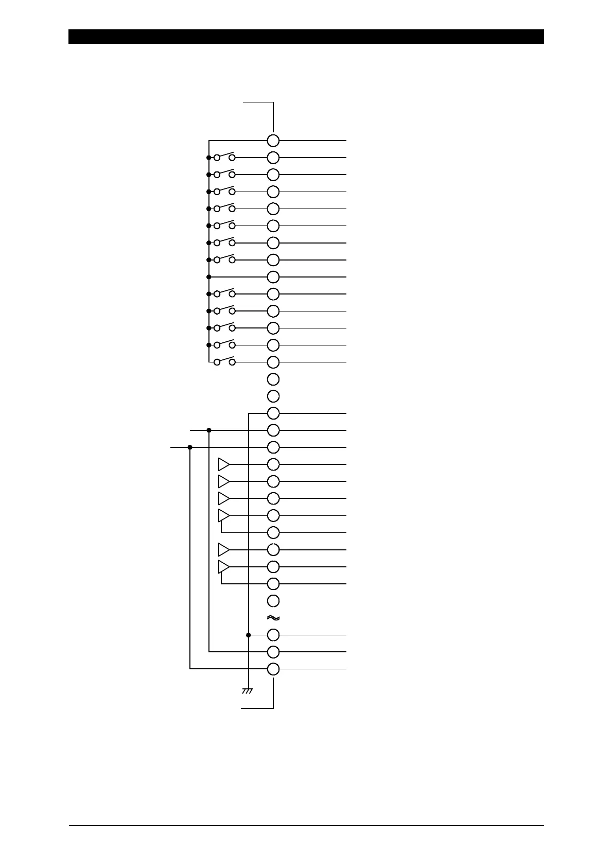
b. Output Connector (D-Sub, 37-pin, female)
O
U
T
CO
M
導体使して
15 3416 28
COMはシして
D-Sub 37pin (ス)
量 DC24V 20mA
1
2
3
4
5
6
7
8
9
10
11
12
13
14
15
26
27
28
35
36
37
16
20
21
23
24
25
17
18
19
22
 , ,   いで
OUT12
OUT1
OUT2
OUT3
OUT4
OUT5
OUT6
OUT7
OUT8
OUT9
OUT10
OUT COM
OUT11
COM
FORCE SIG
SIG GND
CURR SIG
VOLT SIG
VOLT TRG SIG
DC IN+24V
COM
DC IN+24V
CURR TRG SIG
SIG GND
INT.24V
INT.24V
DIST SIG
MM-400A
COM terminal is connected to chassis.
Do not connect to Pins 15, 16, and 28 to 34.
Semiconductor relays are used as contacts.
Contact capacity: 24 V DC, 20 mA
D-Sub 37 pin (female)

Table of Contents

Related product manuals