EasyManua.ls Logo

Amada WELD CHECKER MM-400A - Page 33

Amada WELD CHECKER MM-400A
328 pages
Print Icon
To Next Page IconTo Next Page
To Next Page IconTo Next Page
To Previous Page IconTo Previous Page
To Previous Page IconTo Previous Page
Loading...
MM-400A
6. Installation and Connections
6-14
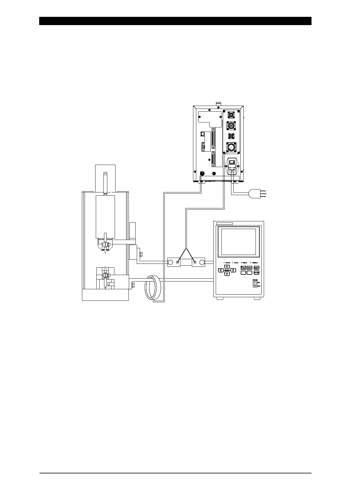
(Reference) Current measurement by a shunt resistor
The shunt resistor detects a current in circuit. As shown below, connect it to
welding current circuit in series. Be sure to use the shunt with floating off the
ground. Since the resistance value changes by heat generation, be careful of
use with large current or high duty cycle. By using a non-inductive type, it is
not affected by an inductance component. Connect the shunt to the
multiconnector. (Refer to 4. Name and Functions of Each Sections(2) Rear
. For connections, refer to 10. Interface.”)
M
M
-4
0
0A
Sh
unt
re
sist
or
Toroidal coil
Weld
i
ng
h
e
ad
Welding power supply

Table of Contents

Related product manuals