EasyManua.ls Logo

Ateis DIVA8M - 8.33.7 Speaker Lines; 8.33.8 Normal Logic Inputs

Ateis DIVA8M
144 pages
Print Icon
To Next Page IconTo Next Page
To Next Page IconTo Next Page
To Previous Page IconTo Previous Page
To Previous Page IconTo Previous Page
Loading...
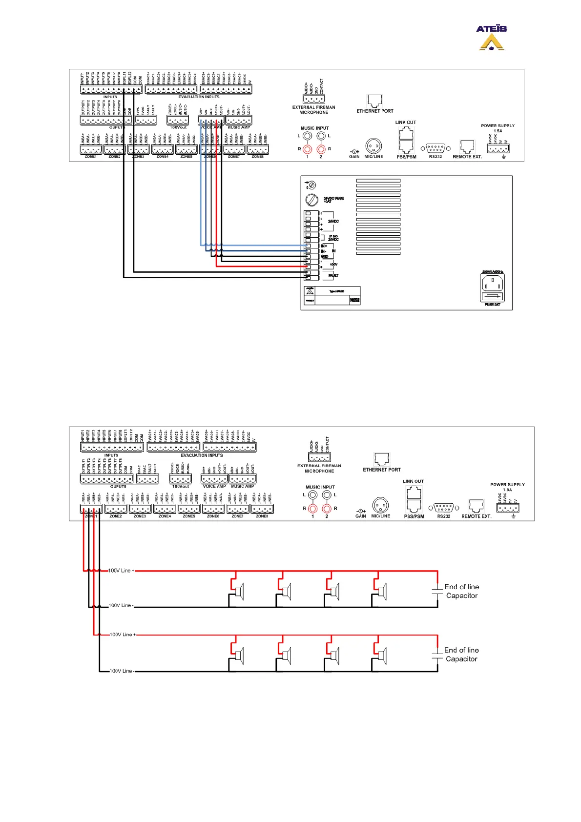
8.33.7 Speaker Lines
In order to have a high accuracy on impedance measurement, you should add an end of line capacitor
on each speaker line. If help is needed to know the value of those capacitors, please take contact with
Ateis.
When connecting speakers, take care of the polarity.
8.33.8 Normal Logic Inputs
Normal logic input have been designed to work with simple contact or button. Follow the next
schematic to connect a contact to a normal logic input.
Ateïs International
Ch. du Dévent, 1024 Ecublens, Switzerland.
Phone : +41 21 881 25 10
135

Table of Contents

Other manuals for Ateis DIVA8M