EasyManua.ls Logo

ATV 200 - Section 8 Lubrication; Lubrication Oil Way

ATV 200
223 pages
Print Icon
To Next Page IconTo Next Page
To Next Page IconTo Next Page
To Previous Page IconTo Previous Page
To Previous Page IconTo Previous Page
Loading...
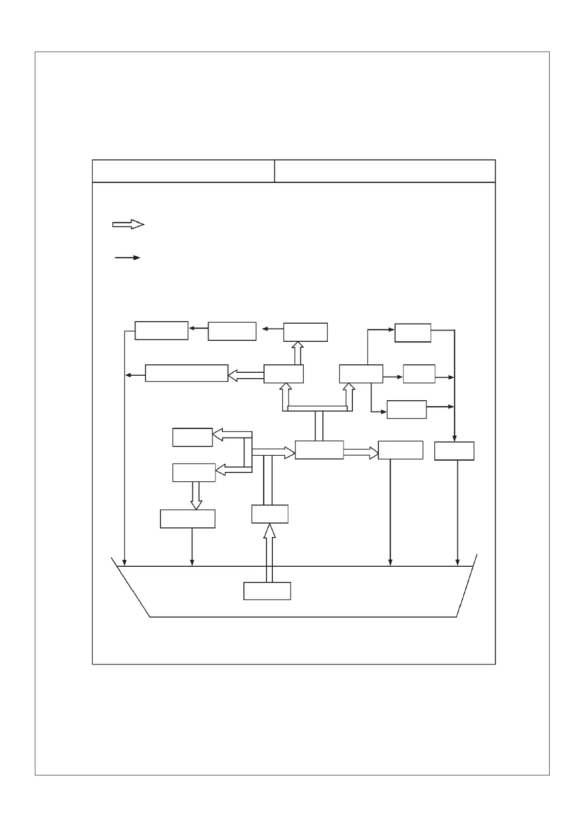
Section 8 Lubrication
(I) Lubrication oil way
:Pressure
:Splashing oil
Standard Item
Piston/cylinder
Piston pin
Connecting rod
Valve
Automatic centrifugal clutch
Crank
Camshaft
Rocker
Bearing
Sprocket chamber
Branch valveFine filter
Spindle
Driving shaft
Middle gearbox
Oil pump
Rough filter
- 26 -

Table of Contents

Related product manuals