EasyManua.ls Logo

Aventics Marex 3D - Page 57

Aventics Marex 3D
116 pages
Print Icon
To Next Page IconTo Next Page
To Next Page IconTo Next Page
To Previous Page IconTo Previous Page
To Previous Page IconTo Previous Page
Loading...
Installation
AVENTICS | Marex 3D | R417003094–BDL–001–AA 57
English
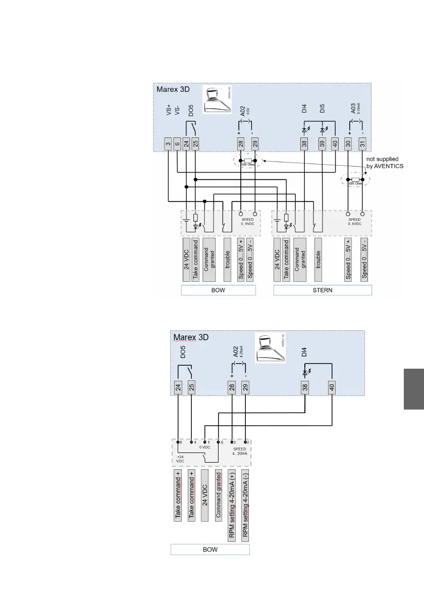
Fig. 34: Connection of CMC thrusters, bow and stern
5.3.5.4 Connecting BCS thrusters
Fig. 35: Connection of BCS thrusters, bow
3D_manual_R417003094_DE_EN.book Seite 57 Freitag, 30. November 2018 11:36 11

Table of Contents

Other manuals for Aventics Marex 3D