EasyManua.ls Logo

CETAC ASXPRESS PLUS - Notes

CETAC ASXPRESS PLUS
160 pages
Print Icon
To Next Page IconTo Next Page
To Next Page IconTo Next Page
To Previous Page IconTo Previous Page
To Previous Page IconTo Previous Page
Loading...
ASXPRESS PLUS Rapid Sample Introduction System Operator’s Manual
Chapter 4: Preparing an ASX-260 or ASX-520 Autosampler
29
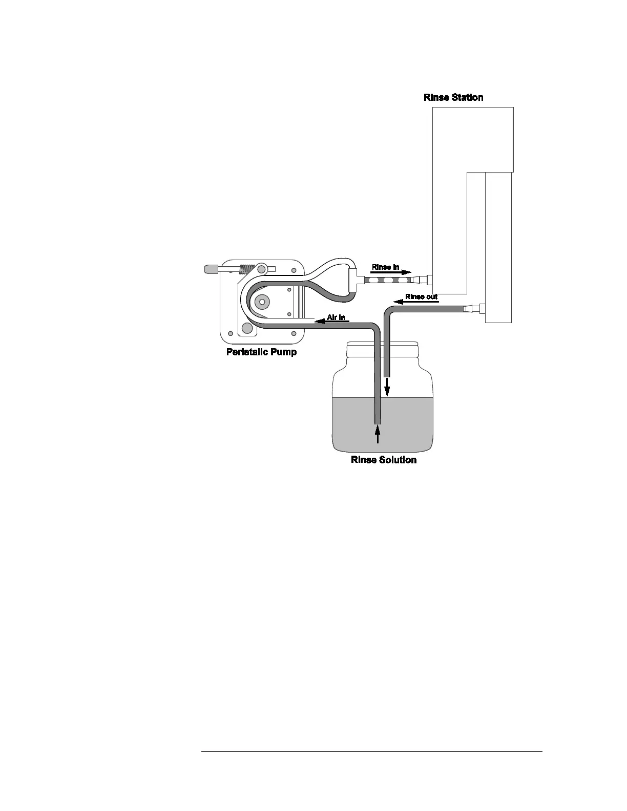
Figure 4-4 Rinse Tubing Diagram for Built-In or External 2-Channel
Pump with Gravity Drain
Notes
Check the direction of pump rotation. Some peristaltic pumps have the input at
the top, and some at the bottom.
The air bubbles help scrub the tubing.
Rinse solution may be recycled by directing the waste tube into the rinse
solution container, if appropriate for your application. Replace the rinse
solution on a schedule appropriate for the application.
Make sure that the end of the waste tube is above the surface of the liquid in
the container.
A short length of 1/4" OD tubing is used as an intake "straw."

Table of Contents

Other manuals for CETAC ASXPRESS PLUS

Related product manuals